0
LTC4150
  • LTC4150
  • LTC4150
  • LTC4150

LTC4150

PRODUCTION

Coulomb Counter/Battery Gas Gauge

Analog Devices LTC4150 Product Info

10 February 2026 5

Features

  • Indicates Charge Quantity and Polarity
  • ±50mV Sense Voltage Range
  • Precision Timer Capacitor or Crystal Not Required
  • 2.7V to 8.5V Operation
  • High Side Sense
  • 32.55Hz/V Charge Count Frequency
  • 1.5μA Shutdown Current
  • 10-Pin MSOP Package

Part details & applications

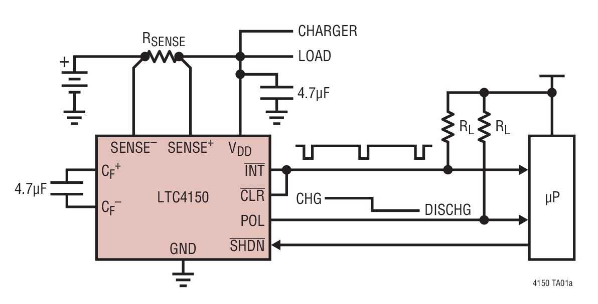
The LTC4150 measures battery depletion and charging in handheld PC and portable product applications. The device monitors current through an external sense resistor between the battery’s positive terminal and the battery’s load or charger. A voltage-to-frequency converter transforms the current sense voltage into a series of output pulses at the interrupt pin. These pulses correspond to a fixed quantity of charge flowing into or out of the battery. The part also indicates charge polarity as the battery is depleted or charged.

The LTC4150 is intended for 1-cell or 2-cell Li-Ion and 3-cell to 6-cell NiCd or NiMH applications.

Applications

  • Battery Chargers
  • Palmtop Computers and PDAs
  • Cellular Telephones and Wireless Modems

Subscribe to Welllinkchips !
Your Name
* Email
Submit a request