0
LTC3890-3
  • LTC3890-3
  • LTC3890-3
  • LTC3890-3

LTC3890-3

RECOMMENDED FOR NEW DESIGNS

60V Low IQ, Dual, 2-Phase Synchronous Step-Down DC/DC Controller

Analog Devices LTC3890-3 Product Info

10 February 2026 8

Features

  • Wide VIN Range: 4V to 60V (65V Abs Max)
  • Low Operating IQ: 50μA (One Channel On)
  • Wide Output Voltage Range: 0.8V ≤ VOUT ≤ 24V
  • RSENSE or DCR Current Sensing
  • Out-of-Phase Controllers Reduce Input Capacitance and Power Supply Induced Noise
  • Phase-Lockable Frequency (75kHz to 850kHz)
  • Programmable Fixed Frequency (50kHz to 900kHz)
  • Selectable Continuous, Pulse-Skipping or Low Ripple Burst Mode® Operation at Light Loads
  • Very Low Dropout Operation: 99% Duty Cycle
  • Adjustable Output Voltage Soft-Start or Tracking
  • Power Good Output Voltage Monitor
  • Low Shutdown IQ: <14μA
  • Internal LDO Powers Gate Drive from VIN or EXTVCC
  • Narrow SSOP Package

Part details & applications

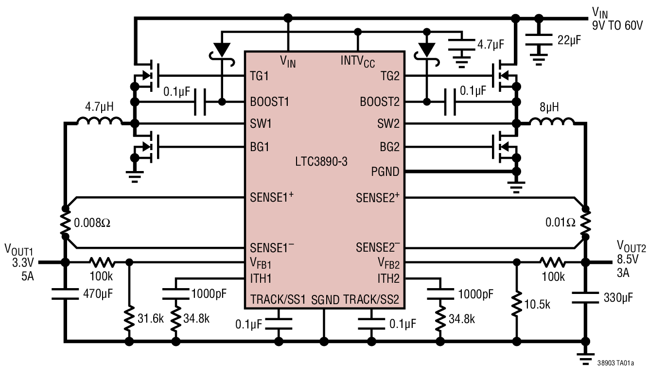
The LTC3890-3 is a high performance dual step-down switching regulator DC/DC controller that drives all N-channel synchronous power MOSFET stages. A constant frequency current mode architecture allows a phase-lockable frequency of up to 850kHz. Power loss and supply noise are minimized by operating the two controller output stages out-of-phase.

The 50μA no-load quiescent current extends operating life in battery-powered systems. OPTI-LOOP® compensation allows the transient response to be optimized over a wide range of output capacitance and ESR values. A wide 4V to 60V input supply range encompasses a wide range of intermediate bus voltages and battery chemistries.

Independent TRACK/SS pins for each controller ramp the output voltages during start-up. Current mode control limits the inductor current during short-circuit conditions. The PLLIN/MODE pin selects among Burst Mode operation, pulse-skipping mode, or continuous conduction mode at light loads.

For versions with different and/or additional features, see the LTC3890 family summary, Table 1, in the Pin Functions section of this data sheet.

LTC3890 LTC3890-1 LTC3890-2 LTC3890-3
Adjustable Current Limit