0
LTC3880
  • LTC3880
  • LTC3880
  • LTC3880
  • LTC3880

LTC3880

RECOMMENDED FOR NEW DESIGNS

Dual Output PolyPhase Step-Down DC/DC Controller with Digital Power System Management

Analog Devices LTC3880 Product Info

10 February 2026 10

Features

  • PMBus/I2C Compliant Serial Interface
  • Telemetry Read Back includes VIN, IIN, VOUT, IOUT, Temperature and Faults
  • Programmable Voltage, Current Limit, Digital Soft-Start/Stop, Sequencing, Margining, OV/UV and Frequency Synchronization (250kHz to 1MHz)
  • ±0.5% Output Voltage Accuracy Over Temperature
  • Integrated 16-Bit ADC
  • Internal EEPROM with ECC and Fault Logging
  • Integrated Powerful N-Channel MOSFET Gate Drivers

    Power Conversion

    • Wide VIN Range: 4.5V to 24V
    • VOUT Range: 0.5V to 5.4V (4V on VOUT0)
    • Analog Current Mode Control Loop
    • Accurate PolyPhase® Current Sharing for Up to 6 Phases
    • Available in a 40-Pin (6mm × 6mm) QFN Package
    • AEC-Q100 Qualified for Automotive Applications

Part details & applications

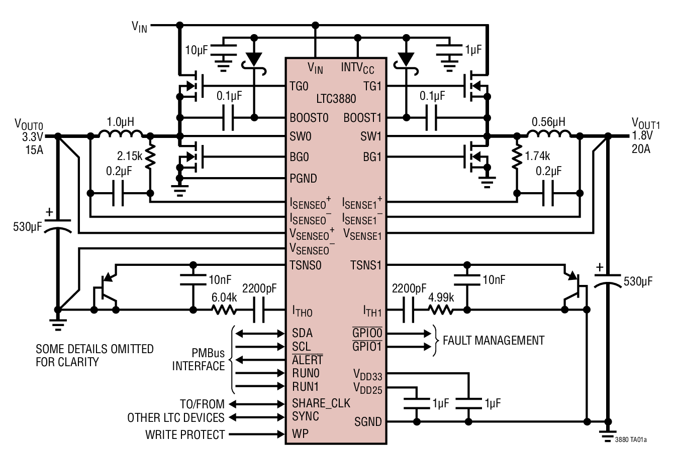
The LTC3880/LTC3880-1 are dual, PolyPhase DC/DC synchronous step-down switching regulator controllers with an I2C-based PMBus compliant serial interface. The controllers use a constant frequency, current mode architecture that is supported by LTpowerPlay software development tool with graphical user interface (GUI).

Switching frequency, output voltage, and device address can be programmed using external configuration resistors. Parameters can be set via the digital interface or stored in EEPROM. Voltage, current, internal/external temperature and fault status can be read back through the bus interface. The LTC3880 incorporates a 5V linear regulator while the LTC3880-1 uses an external 5V supply for minimum power loss. See comparison to LTC3887 below.

  VOUT Start-Up Time Max VOUT0/1 Fast ADC Mode for 1 Parameter
LTC3887/LTC3887-1 35ms 5.5V/5.5V No
LTC3880/LTC3880-1 120ms