0
LTC3859AL
  • LTC3859AL
  • LTC3859AL
  • LTC3859AL
  • LTC3859AL

LTC3859AL

PRODUCTION

Triple Output, Buck/Buck/Boost Synchronous Controller with 28μA Burst Mode IQ

Analog Devices LTC3859AL Product Info

10 February 2026 6

Features

  • Low Operating IQ: 28μA (One Channel On)
  • Dual Buck Plus Single Boost Synchronous Controllers
  • Outputs Remain in Regulation Through Cold Crank Down to 2.5V
  • Wide Bias Input Voltage Range: 4.5V to 38V
  • Buck Output Voltage Range: 0.8V ≤ VOUT ≤ 24V
  • Boost Output Voltage Up to 60V
  • RSENSE or DCR Current Sensing
  • 100% Duty Cycle for Boost Synchronous MOSFET Even in Burst Mode® Operation
  • Phase-Lockable Frequency (75kHz to 850kHz)
  • Programmable Fixed Frequency (50kHz to 900kHz)
  • Selectable Continuous, Pulse-Skipping or Low Ripple Burst Mode Operation at Light Loads
  • Very Low Buck Dropout Operation: 99% Duty Cycle
  • Adjustable Output Voltage Soft-Start or Tracking
  • Low Shutdown IQ: 10μA
  • Small 38-Lead 5mm × 7mm QFN and TSSOP Packages
  • AEC-Q100 Qualified for Automotive Applications

Part details & applications

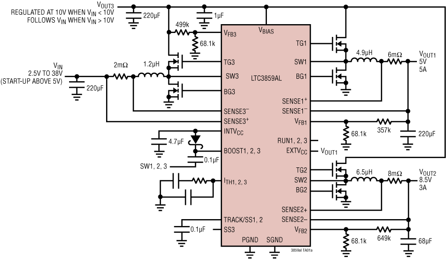
The LTC3859AL is a high performance triple output (buck/buck/boost) synchronous DC/DC switching regulator controller that drives all N-channel power MOSFET stages. Constant frequency current mode architecture allows a phase-lockable switching frequency of up to 850kHz. The LTC3859AL operates from a wide 4.5V to 38V input supply range. When biased from the output of the boost converter or another auxiliary supply, the LTC3859AL can operate from an input supply as low as 2.5V after start-up.

The 28μA no-load quiescent current extends operating runtime in battery powered systems. OPTI-LOOP compensation allows the transient response to be optimized over a wide range of output capacitance and ESR values. The LTC3859AL features a precision 0.8V reference for the bucks, 1.2V reference for the boost and a power good output indicator. The PLLIN/MODE pin selects among Burst Mode operation, pulse-skipping mode, or continuous inductor current mode at light loads.

Compared to the LTC3859 and the LTC3859A, the LTC3859AL is fully pin-compatible, but with lower Burst Mode operation IQ (28µA with one channel on).