0
LTC3822-1
  • LTC3822-1
  • LTC3822-1
  • LTC3822-1
  • LTC3822-1

LTC3822-1

PRODUCTION

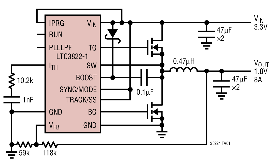
No RSENSE™, Low Input Voltage, Synchronous Step-Down DC/DC Controller

Analog Devices LTC3822-1 Product Info

10 February 2026 8

Features

  • Dual N-Channel MOSFET Synchronous Drive
  • No Current Sense Resistor Required
  • Optimized for 3.3VIN and Li-Ion Applications
  • Constant Frequency Current Mode Operation for Excellent Line and Load Transient Response
  • ±1% 0.6V Reference
  • Low Dropout Operation: 99% Duty Cycle
  • Phase-Lockable or Adjustable Frequency: 250kHz to 750kHz
  • Internal Soft-Start Circuitry
  • Tracking and Adjustable Soft-Start Input
  • Selectable Maximum Peak Current Sense Threshold
  • Selectable Burst Mode®/Forced Continuous/Pulse Skipping Mode at Light Load
  • Digital RUN Control Pin
  • Output Overvoltage Protection
  • Micropower Shutdown: IQ = 7.5µA
  • Tiny Thermally Enhanced 12-Pin (3mm × 3mm) DFN or 16-Pin Narrow SSOP Packages

Part details & applications

The LTC3822-1 is a synchronous step-down switching regulator controller that drives external N-channel power MOSFETs using few external components. The constant frequency current mode architecture with MOSFET VDS sensing eliminates the need for sense resistors and improves efficiency.

Burst Mode operation provides high efficiency at light loads. The 99% maximum duty cycle provides low dropout operation, extending operating time in battery-powered systems.

The operating frequency can be programmed up to 750kHz, allowing the use of small surface mount inductors and capacitors. For noise sensitive applications, the LTC3822-1 can be synchronized to an external clock from 250kHz to 750kHz.

The LTC3822-1 is available in the tiny footprint thermally enhanced 12-pin DFN package or 16-pin narrow SSOP package.

Features
LTC3822 Internal soft-start, 34µA in sleep mode
LTC3822-1 External soft start, selectable pulse skip/Burst Mode operation, power good (SSOP-16 package only), 105µA in sleep mode

Applications

  • Single Cell Li-Ion Powered Systems
  • 3.3VIN Systems

Subscribe to Welllinkchips !
Your Name
* Email
Submit a request