0
LTC3405A-1.375
  • LTC3405A-1.375
  • LTC3405A-1.375
  • LTC3405A-1.375

LTC3405A-1.375

PRODUCTION

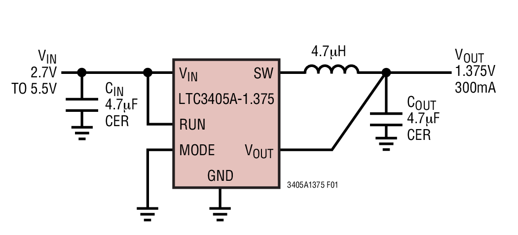
1.375V, 1.5MHz, 300mA Synchronous Step-Down Regulators in ThinSOT

Analog Devices LTC3405A-1.375 Product Info

10 February 2026 7

Features

  • High Efficiency: Up to 90%
  • Very Low Quiescent Current: Only 20µA During Operation
  • 300mA Output Current at VIN = 3V
  • 2.5V to 5.5V Input Voltage Range
  • 1.5MHz Constant Frequency Operation
  • No Schottky Diode Required
  • Low Dropout Operation: 100% Duty Cycle
  • Stable with Ceramic Capacitors
  • Shutdown Mode Draws <1µA Supply Current
  • ±3% Output Voltage Accuracy
  • Current Mode Operation for Excellent Line and Load Transient Response
  • Overtemperature Protected
  • Low Profile (1mm) ThinSOT Package

Part details & applications

The LTC3405A-1.375 is a high efficiency monolithic synchronous buck regulator using a constant frequency, current mode architecture. Supply current during operation is only 20µA and drops to <1µA in shutdown. The 2.5V to 5.5V input voltage range makes the LTC3405A-1.375 ideally suited for single Li-Ion battery-powered applications. 100% duty cycle provides low dropout operation, extending battery life in portable systems.

Switching frequency is internally set at 1.5MHz, allowing the use of small surface mount inductors and capacitors.

The LTC3405A-1.375 is specifically designed to work well with ceramic output capacitors, achieving very low output voltage ripple and a small PCB footprint.

The internal synchronous switch increases efficiency and eliminates the need for an external Schottky diode. The LTC3405A-1.375 is available in a low profile (1mm) ThinSOT package.

For other output voltages, refer to the LTC3405A and LTC3405A-1.5/LTC3405A-1.8 data sheets.

Vout Features
LTC3405 Adj. -
LTC3405A