0
LTC3118
  • LTC3118
  • LTC3118
  • LTC3118
  • LTC3118

LTC3118

RECOMMENDED FOR NEW DESIGNS

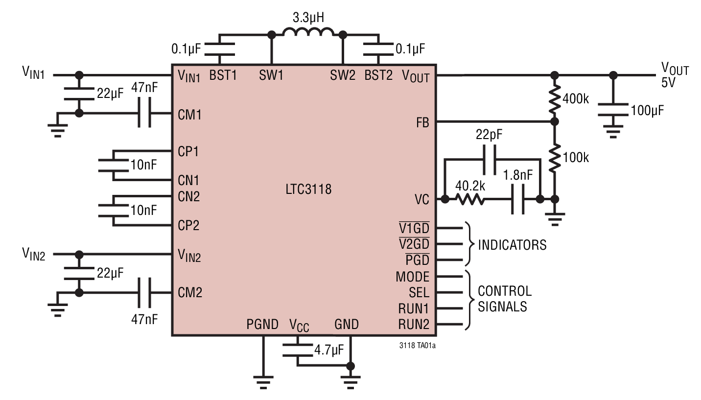
18V, 2A Buck-Boost DC/DC Converter with Low-Loss Dual Input PowerPath

Analog Devices LTC3118 Product Info

10 February 2026 7

Features

  • Integrated High Efficiency Dual Input PowerPath Plus Buck-Boost DC/DC Converter
  • Ideal Diode or Priority VIN Select Modes
  • VIN1 and VIN2 Range: 2.2V to 18V
  • VOUT Range: 2V to 18V
  • Either VIN Can Be Above, Below or Equal to VOUT
  • Generates 5V at 2A for VIN > 6V
  • 1.2MHz Low Noise Fixed Frequency Operation
  • Current Mode Control
  • All Internal N-Channel MOSFETs
  • Pin-Selectable PWM or Burst Mode® Operation
  • Accurate, Independent RUN Pin Thresholds
  • Up to 94% Efficiency
  • VIN and VOUT Power Good Indicators
  • IQ of 50μA in Sleep, 2μA in Shutdown
  • 4mm × 5mm 24-Lead QFN or 28-Lead TSSOP Packages

Part details & applications

The LTC3118 is a dual-input, wide voltage range synchronous buck-boost DC/DC converter with an intelligent, integrated, low loss PowerPath control. The unique power switch architecture provides efficient operation from either input source to a programmable output voltage above, below or equal to the input. Voltage capability of up to 18V provides flexibility and voltage margin for a wide variety of applications and power sources.

The LTC3118 uses a low noise, current mode architecture with a fixed 1.2MHz PWM mode frequency that minimizes the solution footprint. For high efficiency at light loads, automatic Burst Mode operation can be selected consuming only 50μA of quiescent current in sleep.

System level features include ideal diode or VIN priority modes, VIN and VOUT power good indicators, accurate RUN comparators to program independent UVLO thresholds, and output disconnect in shutdown. Other features include 2μA shutdown current, short-circuit protection, soft-start, current limit and thermal overload protection.

The LTC3118 is offered in thermally enhanced 24-lead 4mm × 5mm QFN and 28-lead TSSOP packages.

Applications

  • Systems with Multiple Input Sources
  • Back Up Power Systems
  • Wall Adapter or Li-Ion(s) Input to 5VOUT
  • Battery or Super Capacitor Input for Reserve Power
  • Replace Diode-OR Designs with Higher Efficiency, Flexibility and Performance

Subscribe to Welllinkchips !
Your Name
* Email
Submit a request