0
LTC3129-1
  • LTC3129-1
  • LTC3129-1
  • LTC3129-1
  • LTC3129-1

LTC3129-1

RECOMMENDED FOR NEW DESIGNS

15V, 200mA Synchronous Buck-Boost DC/DC Converter with 1.3μA Quiescent Current

Analog Devices LTC3129-1 Product Info

10 February 2026 7

Features

  • Regulates VOUT Above, Below or Equal to VIN
  • Wide VIN Range: 2.42V to 15V, 1.92V to 15V After Start-Up (Bootstrapped)
  • Fixed Output Voltage with Eight User-Selectable Settings from 2.5V to 15V
  • 200mA Output Current in Buck Mode
  • Single Inductor
  • 1.3μA Quiescent Current
  • Programmable Maximum Power Point Control
  • 1.2MHz Ultralow Noise PWM
  • Current Mode Control
  • Pin Selectable Burst Mode® Operation
  • Up to 95% Efficiency
  • Accurate RUN Pin Threshold
  • Power Good Indicator
  • 10nA Shutdown Current
  • Thermally Enhanced 3mm × 3mm QFN and 16-Lead MSOP Packages

Part details & applications

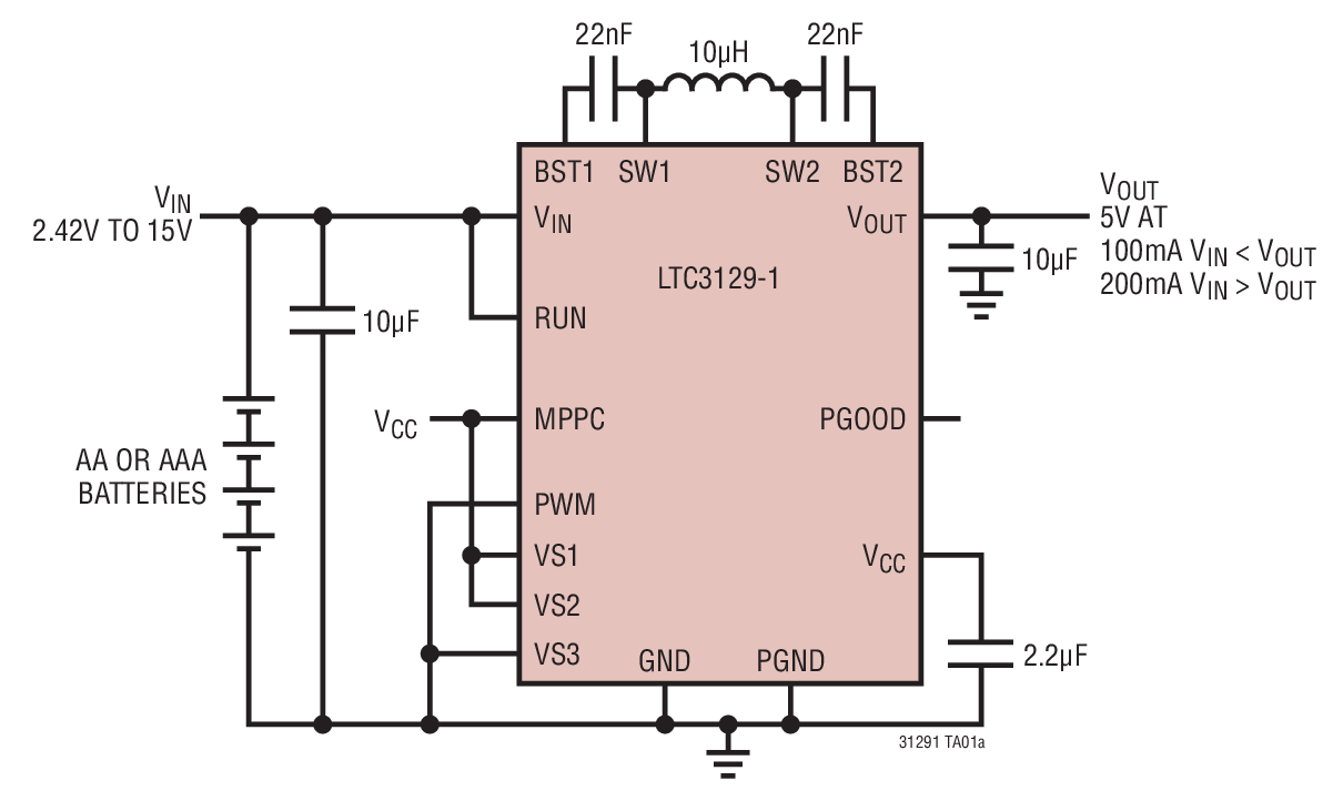
The LTC3129-1 is a high efficiency, 200mA buck-boost DC/DC converter with a wide VIN and VOUT range. It includes an accurate RUN pin threshold to allow predictable regulator turn-on and a maximum power point control (MPPC) capability that ensures maximum power extraction from non-ideal power sources such as photovoltaic panels.

The LTC3129-1 employs an ultralow noise, 1.2MHz PWM switching architecture that minimizes solution footprint by allowing the use of tiny, low profile inductors and ceramic capacitors. Built-in loop compensation and soft-start simplify the design. For high efficiency operation at light loads, automatic Burst Mode operation can be selected, reducing the quiescent current to just 1.3μA. To further reduce part count and improve light load efficiency, the LTC3129-1 includes an internal voltage divider to provide eight selectable fixed output voltages.

Additional features include a power good output, less than 10nA of shutdown current and thermal shutdown.

The LTC3129-1 is available in thermally enhanced 3mm × 3mm QFN and 16-lead MSOP packages. For an adjustable output voltage, see the functionally equivalent LTC3129.