0
LTC2925
  • LTC2925
  • LTC2925
  • LTC2925
  • LTC2925
  • LTC2925

LTC2925

RECOMMENDED FOR NEW DESIGNS

Multiple Power Supply Tracking Controller with Power Good Timeout

Analog Devices LTC2925 Product Info

10 February 2026 8

Features

  • Flexible Power Supply Tracking Up and Down
  • Power Supply Sequencing
  • Supply Stability Is Not Affected
  • Controls Three Supplies Without Series FETs
  • Controls an Optional Fourth Supply with a Series FET
  • Electronic Circuit Breaker
  • Remote Sense Switch Compensates for Voltage Drop Across a Series FET
  • Supply Shutdown Outputs
  • FAULT Output
  • Adjustable Power Good Timeout
  • Available in Narrow 24-Lead SSOP and Tiny 24-Lead QFN Packages

Part details & applications

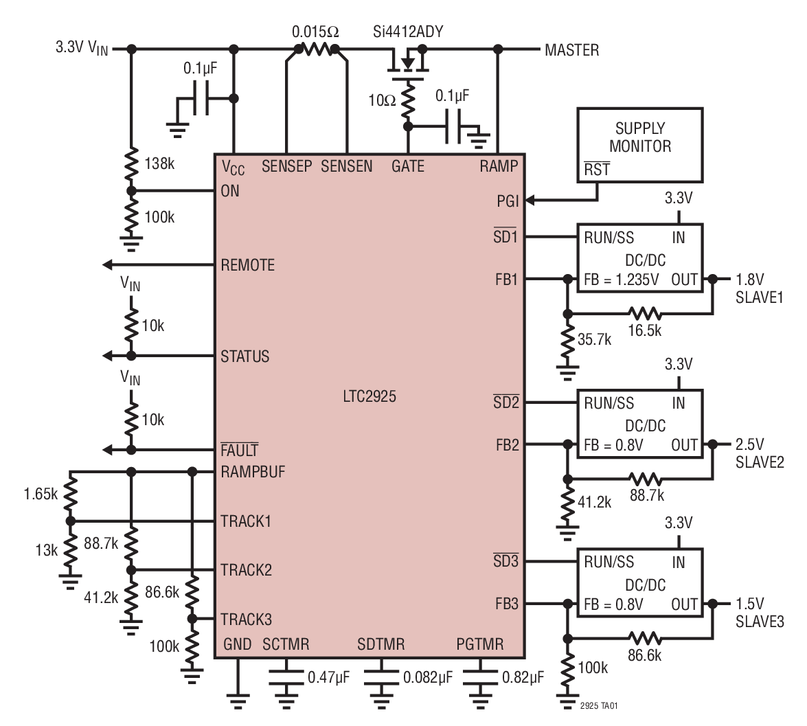
The LTC2925 provides a simple solution to power supply tracking and sequencing requirements. By selecting a few resistors, the supplies can be configured to ramp-up and ramp-down together or with voltage offsets, time delays or different ramp rates.

The LTC2925 controls the outputs of three independent supplies without inserting any pass element losses. For systems that require a fourth supply, or when a supply does not allow direct access to its feedback resistors, one supply can be controlled with a series FET. When the FET is used, an internal remote sense switch compensates for the voltage drop across the FET and current sense resistor, and an electronic circuit breaker provides protection from short-circuit conditions.

The LTC2925 also includes a power good timeout feature that turns off the supplies if an external supply monitor fails to indicate that the supplies have entered regulation within an adjustable time-out period.

Applications

  • VCORE and VI/O Supply Tracking
  • Microprocessor, DSP and FPGA Supplies
  • Servers
  • Communication Systems

Subscribe to Welllinkchips !
Your Name
* Email
Submit a request