0
LTC2879X
  • LTC2879X
  • LTC2879X
  • LTC2879X

LTC2879X

PRODUCTION

±60V Fault Tolerant RS485/RS422 Transceiver with Operation to 175°C

Analog Devices LTC2879X Product Info

10 February 2026 5

Features

  • Guaranteed Operation from –55°C to 175°C
  • Fully Tested at 175°C
  • Protected from Overvoltage Line Faults to ±60V
  • ±52kV ESD Interface Pins, ±15kV All Other Pins
  • Level 4 IEC61000-4-4 Electrical Fast Transient
  • ±25V Working Common Mode Range
  • 20Mbps Maximum Baud Rate
  • Operates with VCC from 3V to 5.5V
  • PROFIBUS IEC 61158-2 Compliant (VCC ≥ 4.5V)
  • Fully Balanced Differential Receiver Thresholds with 240mV Hysteresis for Superior Noise Tolerance and Low Duty Cycle Distortion
  • Receiver Failsafe for Open, Shorted and Terminated Conditions
  • Available in a Tiny 3mm × 3mm MSOP Package

Part details & applications

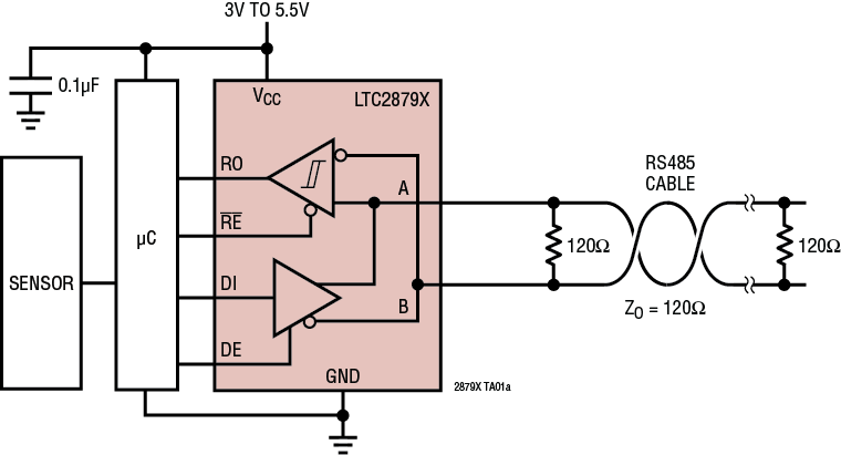
The LTC2879X is a rugged RS485/RS422 transceiver designed to operate over a wide temperature range of –55°C to 175°C. Special processing steps are used to prevent intermetallic growth that can cause metal voids on standard parts operating at high temperatures. Lowdrift, low-leakage circuitry and lack of a thermal shutdown circuit allow the LTC2879X to meet critical specifications, tested 100% at 175°C.

The LTC2879X also meets the specifications for PROFIBUS-DP (IEC 61158-2) supporting all data rates from 9.6kbps to 12Mbps.

The LTC2879X is exceptionally robust, tolerating ±60V faults on the bus pins and protected to ±52kV ESD. These devices are suitable for harsh environments or where 24V power might be inadvertently connected. Extended ±25V input common mode operating range and full failsafe operation improve data communication reliability in noisy systems.

The LTC2879X meets RS485, RS422, and PROFIBUS-DP specifications with a supply voltage of 4.5V to 5.5V with full RS485/RS422 compatibility down to 3V.

Applications

  • Oil and Gas Exploration
  • High Temperature Industrial Control
  • PROFIBUS-DP
  • Military Systems
  • Harsh Environments

Subscribe to Welllinkchips !
Your Name
* Email
Submit a request