0
LTC2872
  • LTC2872
  • LTC2872
  • LTC2872
  • LTC2872

LTC2872

PRODUCTION

RS232/RS485 Dual Multiprotocol Transceiver with Integrated Termination

Analog Devices LTC2872 Product Info

10 February 2026 6

Features

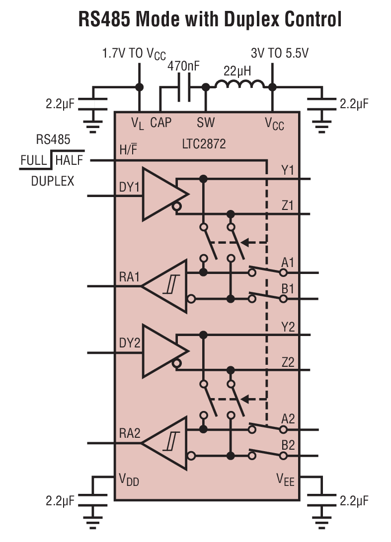
  • Four RS232 and Two RS485 Transceivers
  • 3V to 5.5V Supply Voltage
  • 20Mbps RS485 and 500kbps RS232
  • Automatic Selection of Integrated RS485 (120Ω) and RS232 (5kΩ) Termination Resistors
  • Half-/Full-Duplex RS485 Switching
  • Logic Loopback Mode
  • High ESD: ±16kV on Line I/O
  • 1.7V to 5.5V Logic Interface
  • Supports Up to 256 RS485 Nodes
  • RS485 Receiver Full Failsafe Eliminates UART Lockup
  • Available in 38-Pin 5mm × 7mm QFN Package

Part details & applications

The LTC2872 is a robust pin-configurable transceiver that supports RS232, RS485, and RS422 standards while operating on a single 3V to 5.5V supply. The LTC2872 can be configured as four RS232 single-ended transceivers or two RS485 differential transceivers, or combinations of both, on shared I/O lines.

Pin-controlled integrated termination resistors allow for easy interface reconfiguration, eliminating external resistors and control relays. Half-duplex switches allow four-wire and two-wire RS485 configurations. Loopback mode steers the driver inputs to the receiver outputs for diagnostic self-test. The RS485 receivers support up to 256 nodes per bus, and feature full failsafe operation for floating, shorted or terminated inputs.

An integrated DC/DC boost converter uses a small inductor and one capacitor, eliminating the need for multiple supplies for driving RS232 levels.

Applications

  • Flexible RS232/RS485/RS422 Interface
  • Software Selectable Multiprotocol Interface Ports
  • Point-of-Sale Terminals
  • Cable Repeaters
  • Protocol Translators
  • PROFIBUS-DP Networks

Subscribe to Welllinkchips !
Your Name
* Email
Submit a request