0
LTC2844
  • LTC2844
  • LTC2844

LTC2844

PRODUCTION

3.3V Software-Selectable Multiprotocol Transceiver

Analog Devices LTC2844 Product Info

10 February 2026 11

Features

  • Software-Selectable Transceiver Supports: RS232, RS449, EIA530, EIA530-A, V.35, V.36, X.21
  • TUV Rheinland of North America Inc. Certified NET1, NET2 and TBR2 Compliant, Report No.: TBR2/051501/02
  • Operates from Single 3.3V Supply with LTC2846
  • Complete DTE or DCE Port with LTC2846
  • 28-Lead SSOP Surface Mount Package

Part details & applications

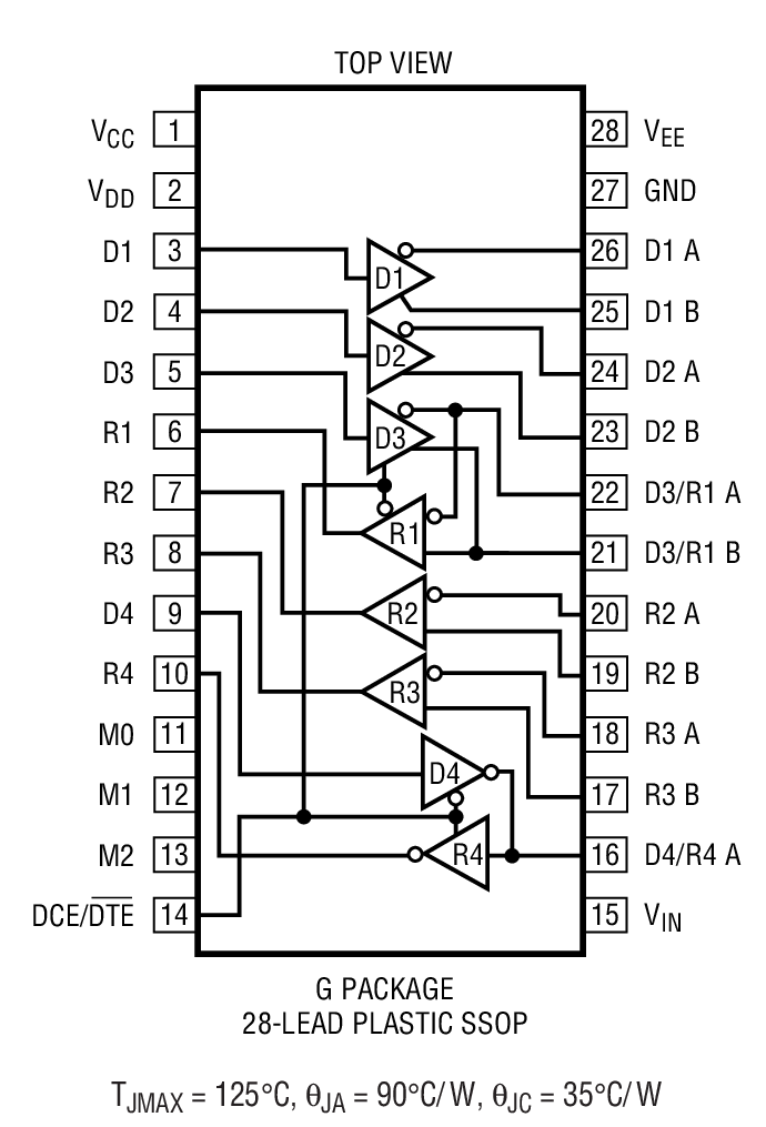
The LTC2844 is a 4-driver/4-receiver multiprotocol transceiver. The LTC2844 and LTC2846 form the core of a complete software-selectable DTE or DCE interface port that supports the RS232, RS449, EIA530, EIA530-A, V.35, V.36 or X.21 protocols.

The LTC2844 operates from a 3.3V supply and supplies provided by the LTC2846. The part is available in a 28-lead SSOP surface mount package.

Applications

  • Data Networking
  • CSU and DSU
  • Data Routers

Subscribe to Welllinkchips !
Your Name
* Email
Submit a request