0
LTC2704
  • LTC2704
  • LTC2704
  • LTC2704

LTC2704

PRODUCTION

Quad 12-, 14- and 16-Bit Voltage Output SoftSpan DACs with Readback

Analog Devices LTC2704 Product Info

10 February 2026 8

Features

  • Six Programmable Output Ranges:
    • Unipolar: 0V to 5V, 0V to 10V
    • Bipolar: ±5V, ±10V, ±2.5V, –2.5V to 7.5V
  • Serial Readback of All On-Chip Registers
  • 1LSB INL and DNL Over the Industrial Temperature Range (LTC2704-14/LTC2704-12)
  • Force/Sense Outputs Enable Remote Sensing
  • Glitch Impulse: < 2nV-sec
  • Outputs Drive ±5mA
  • Pin Compatible 12-, 14- and 16-Bit Parts
  • Power-On and Clear to Zero Volts
  • 44-Lead SSOP Package

Part details & applications

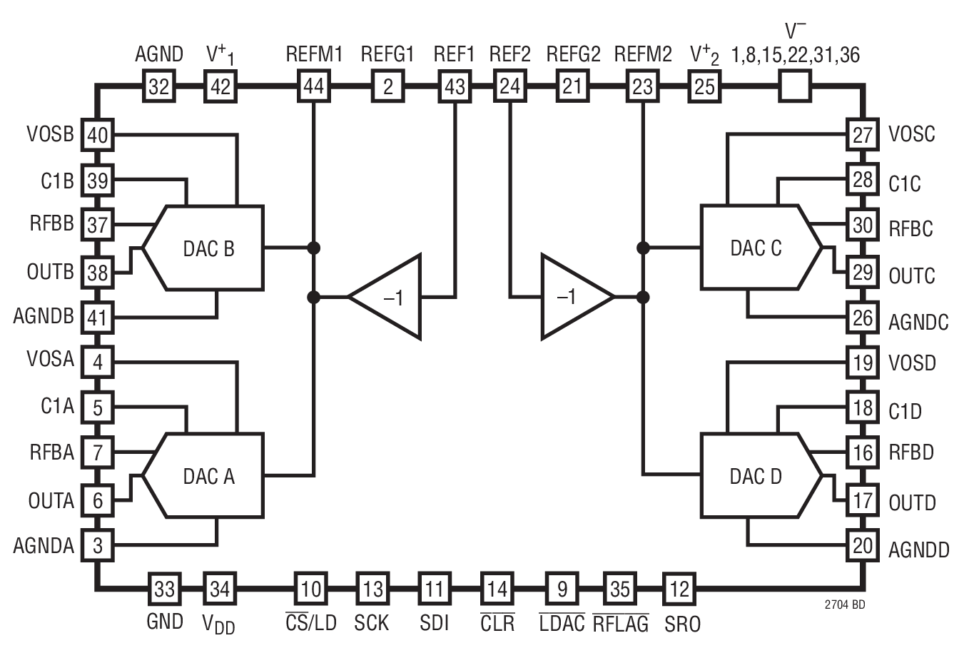
The LTC2704-16/LTC2704-14/LTC2704-12 are serial input, 12-, 14- or 16-bit, voltage output SoftSpan DACs that operate from 3V to 5V logic and ±5V to ±15V analog supplies. SoftSpan offers six output spans—two unipolar and four bipolar—fully programmable through the 3-wire SPI serial interface. INL is accurate to 1LSB (2LSB for the LTC2704-16). DNL is accurate to 1LSB for all versions.

Readback commands allow verification of any on-chip register in just one 24- or 32- bit instruction cycle. All other commands produce a “rolling readback” response from the LTC2704, dramatically reducing the needed number of instruction cycles.

A Sleep command allows any combination of DACs to be powered down. There is also a reset flag and an offset adjustment pin for each channel.

Applications

  • Process Control and Industrial Automation
  • Direct Digital Waveform Generation
  • Software Controlled Gain Adjustment
  • Automated Test Equipment

Subscribe to Welllinkchips !
Your Name
* Email
Submit a request