0
AD9229
  • AD9229
  • AD9229

AD9229

PRODUCTION

Quad 12-Bit, 50/65 MSPS, Serial LVDS A/D Converter

Analog Devices AD9229 Product Info

10 February 2026 7

Features

  • Four ADCs in one package
  • Small footprint: 7 mm x 7 mm chip scale package
  • Serial LVDS digital output data rates up to 
  • 780 Mbps (ANSI-644)
  • Data and Frame clock output provided
  • SNR = 69.5 dB (to Nyquist)
  • 400 MHz full power analog bandwidth
  • Power down mode
  • Power dissipation = 246 mW per ADC at
    50 MSPS
  • Excellent Linearity:
    - DNL = ±0.3 LSB (typical)
    - INL = ±0.4 LSB (typical)
  • 1 V pp – 2 V pp input voltage range
  • +3.0 V supply operation

Part details & applications

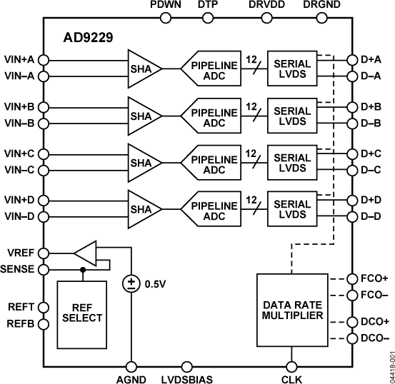
The AD9229 is a 50 or 65 MSPS quad 12-bit, analog–to–digital converter with serial LVDS outputs. An on–chip track–and–hold circuit is designed for low cost, low power, small size and ease of use. The product operates up to a 65 MSPS conversion rate and is optimized for outstanding dynamic performance where a small package size is critical.

The ADC requires a single +3 V power supply. No external reference or driver components are required for many applications. A separate output power supply pin supports LVDS compatible serial digital output levels.

The ADC automatically multiplies up the sample rate clock for the appropriate LVDS serial data rate. This data clock output (DCO) provides operation up to 390 MHz and supports double-data rate operation (DDR). An MSB trigger or Frame clock is also provided to signal a new output byte. Power down is supported, and the ADC consumes 3 mW when enabled.

Fabricated on an advanced CMOS process, the AD9229 is available in a 48-pin chip scale 7 mm x 7 mm package (48-LFCSP) specified over the industrial temperature range (–40°C to +85°C).

APPLICATIONS

  • Digital beam forming systems for ultrasound
  • Wireless and wired broadband communications
  • Communication test equipment

Subscribe to Welllinkchips !
Your Name
* Email
Submit a request