0
LTC2484
  • LTC2484
  • LTC2484
  • LTC2484

LTC2484

PRODUCTION

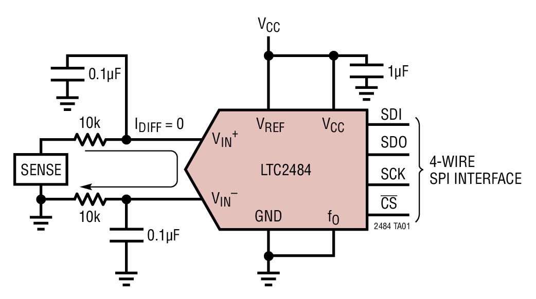
24-Bit ΔΣ ADC with Easy Drive Input Current Cancellation

Analog Devices LTC2484 Product Info

10 February 2026 6

Features

  • Easy Drive Technology Enables Rail-to-Rail Inputs with Zero Differential Input Current
  • Directly Digitizes High Impedance Sensors with Full Accuracy
  • 600nVRMS Noise
  • GND to VCC Input/Reference Common Mode Range
  • Programmable 50Hz, 60Hz or Simultaneous 50Hz/60Hz Rejection Mode
  • 2ppm INL, No Missing Codes
  • 1ppm Offset and 15ppm Total Unadjusted Error
  • Selectable 2× Speed Mode (15Hz Using Internal Oscillator)
  • No Latency: Digital Filter Settles in a Single Cycle
  • Single Supply 2.7V to 5.5V Operation
  • Internal Oscillator
  • Available in a Tiny (3mm × 3mm) 10-Lead DFN Package

Part details & applications

The LTC2484 combines a 24-bit No Latency ΔΣ analog-to-digital converter with patented Easy Drive technology. The patented sampling scheme eliminates dynamic input current errors and the shortcomings of on-chip buffering through automatic cancellation of differential input current. This allows large external source impedances and input signals with rail-to-rail input range to be directly digitized while maintaining exceptional DC accuracy.

The LTC2484 includes an on-chip oscillator. The LTC2484 can be configured to reject line frequencies. 50Hz, 60Hz or simultaneous 50Hz/60Hz line frequency rejection can be selected as well as a 2× speed-up mode.

The LTC2484 allows a wide common mode input range (0V to VCC) independent of the reference voltage. The reference can be as low as 100mV or can be tied directly to VCC. The LTC2484 includes an on-chip trimmed oscillator, eliminating the need for external crystals or oscillators. Absolute accuracy and low drift are automatically maintained through continuous, transparent, offset and full-scale calibration.

Applications

  • Direct Sensor Digitizer
  • Weight Scales
  • Direct Temperature Measurement
  • Strain Gauge Transducers
  • Instrumentation
  • Industrial Process Control
  • DVMs and Meters

Subscribe to Welllinkchips !
Your Name
* Email
Submit a request