0
LTC2461
  • LTC2461
  • LTC2461
  • LTC2461
  • LTC2461
  • LTC2461
  • LTC2461

LTC2461

PRODUCTION

Differential Ultra-Tiny, 16-Bit I2C ΔΣ ADCs with 10ppm/°C Max Precision Reference

Analog Devices LTC2461 Product Info

10 February 2026 6

Features

  • 16-Bit Resolution, No Missing Codes
  • Internal Reference, High Accuracy 10ppm/°C (Max)
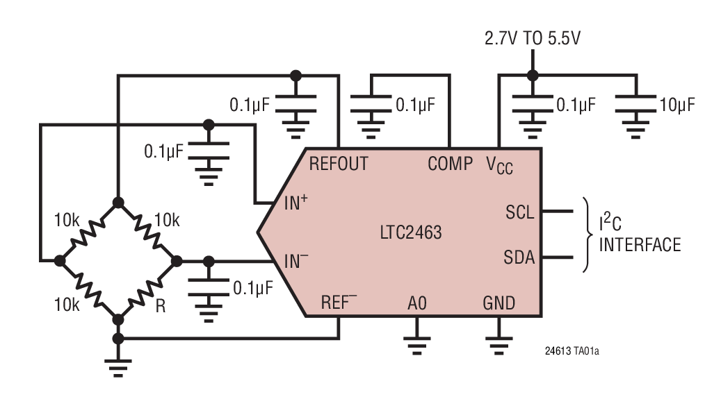
  • Single-Ended (LTC2461) or Differential (LTC2463)
  • 2LSB Offset Error (Typ)
  • 0.01% Gain Error (Typ)
  • 60 Conversions Per Second
  • Single Conversion Settling Time for Multiplexed Applications
  • 1.5mA Supply Current
  • 200nA Sleep Current
  • Internal Oscillator—No External Components Required
  • 2-Wire I2C Interface with Two Addresses Plus One Global Address for Synchronization
  • Ultra-Tiny, 12-Lead, 3mm × 3mm DFN and MSOP Packages

Part details & applications

The LTC2461/LTC2463 are ultra tiny, 16-Bit analog to digital converters with an integrated precision reference. They use a single 2.7V to 5.5V supply and communicate through an I2C Interface. The LTC2461 is single-ended with a 0V to 1.25V input range and the LTC2463 is differential with a 1.25V input range. Both ADCs include a 1.25V integrated reference with 2ppm/°C drift performance and 0.1% initial accuracy. The converters are available in a 12-pin 3mm × 3mm DFN package or an MSOP-12 package. They include an integrated oscillator and perform conversions with no latency for multiplexed applications. The LTC2461/LTC2463 include a proprietary input sampling scheme that reduces the average input current several orders of magnitude when compared to conventional delta sigma converters.

Following a single conversion, the LTC2461/LTC2463 automatically power down the converter and can also be configured to power down the reference. When both the ADC and reference are powered down, the supply current is reduced to 200nA.

The LTC2461/LTC2463 can sample at 60 conversions per second and, due to the very large oversampling ratio, have extremely relaxed antialiasing requirements. Both include continuous internal offset and fullscale calibration algorithms which are transparent to the user, ensuring accuracy over time and the operating temperature range.

Applications

  • System Monitoring
  • Environmental Monitoring
  • Direct Temperature Measurements
  • Instrumentation
  • Data Acquisition
  • Embedded ADC Upgrades

Subscribe to Welllinkchips !
Your Name
* Email
Submit a request