0
LTC2450-1
  • LTC2450-1
  • LTC2450-1
  • LTC2450-1

LTC2450-1

PRODUCTION

Easy-to-Use, Ultra-Tiny 16-Bit ΔΣ ADC

Analog Devices LTC2450-1 Product Info

10 February 2026 8

Features

  • GND to VCC Single-Ended Input Range
  • 60 Conversions Per Second
  • 0.02LSB RMS Noise
  • 16-Bits, No Missing Codes
  • 0.5mV Offset Error
  • 4LSB Full-Scale Error
  • Single Conversion Settling Time for Multiplexed Applications
  • Single Cycle Operation with Auto Shutdown
  • 350µA Supply Current
  • 50nA Sleep Current
  • Internal Oscillator—No External Components Required
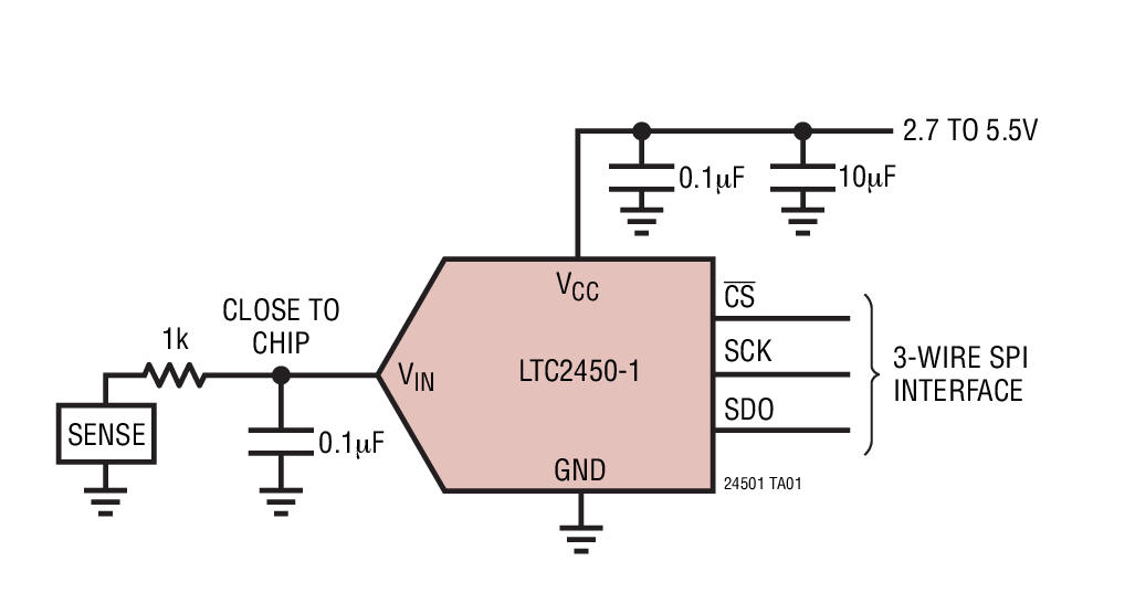
  • Single Supply, 2.7V to 5.5V Operation
  • SPI Interface
  • Ultra-Tiny, 2mm x 2mm DFN Package

Part details & applications

The LTC2450-1 is a low power, ultra-tiny 16-bit analog-to-digital converter designed for space constrained applications requiring 16-bit performance. The LTC2450-1 uses a single 2.7V to 5.5V supply, accepts a single-ended analog input voltage, and communicates through an SPI interface. It includes an integrated oscillator that does not require any external components. The delta-sigma modulator converter core provides single-cycle settling time for multiplexed applications. The converter is available in a 6-pin, 2mm x 2mm DFN package. The LTC2450-1 implements a proprietary input sampling scheme that reduces the average input sampling current several orders of magnitude.

The LTC2450-1 is capable of up to 60 conversions per second and, due to the very large oversampling ratio, has extremely relaxed antialiasing requirements. The converter uses its power supply voltage as the reference voltage and the single-ended, rail-to-rail input voltage range extends from GND to VCC.

Following a conversion, the LTC2450-1 can automatically enter a sleep mode and reduce its power to less than 500nA. At an output rate of 1Hz, the LTC2450-1 consumes an average of less than 25µW from a 2.7V supply.

Applications

  • System Monitoring
  • Environmental Monitoring
  • Direct Temperature Measurements
  • Instrumentation
  • Industrial Process Control
  • Data Acquisition
  • Embedded ADC Upgrades

Subscribe to Welllinkchips !
Your Name
* Email
Submit a request