0
LTC2433-1
  • LTC2433-1
  • LTC2433-1
  • LTC2433-1

LTC2433-1

PRODUCTION

Differential Input 16-Bit No Latency Delta Sigma ADC

Analog Devices LTC2433-1 Product Info

10 February 2026 8

Features

  • 16-Bit Differential ADC in a Tiny MSOP
  • Low Supply Current: 200µA, 4µA in Autosleep
  • Rail-to-Rail Differential Input/Reference
  • 0.12LSB INL, No Missing Codes
  • 0.16LSB Full-Scale Error and 5µV Offset
  • 1.45µV RMS Noise, Independent of VREF
  • Very Low Transition Noise: <0.02LSB
  • Operates with a Reference as Low as 100mV with 16-Bit Resolution
  • Internal Oscillator—No External Components Required
  • 87dB Min, Simultaneous 50Hz and 60Hz Notch Filter
  • Single Supply 2.7V to 5.5V Operation
  • Pin Compatible with the 20/24-Bit LTC2431/LTC2411
  • Available in 10-Lead MSOP Package

Part details & applications

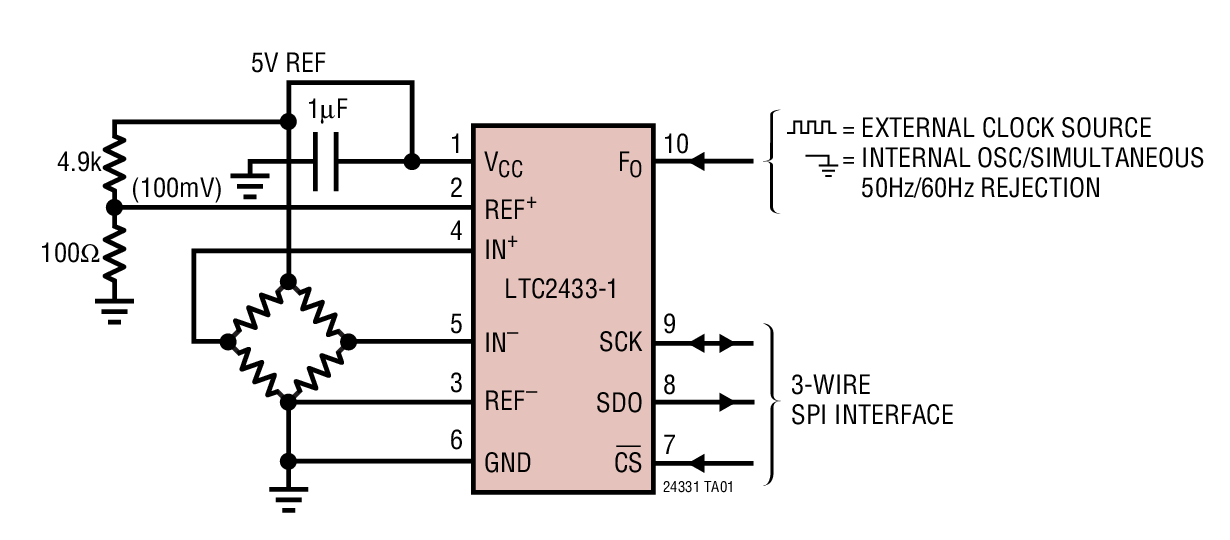
The LTC2433-1 is a differential input micropower 16-bit No Latency ∆ΣTM analog-to-digital converter with an integrated oscillator. It provides 0.12LSB INL and 1.45µV RMS noise independent of VREF. It uses delta-sigma technology and provides single conversion settling of the digital filter. Through a single pin, the LTC2433-1 can be configured for better than 87dB input differential mode rejection at 50Hz and 60Hz ±2%, or it can be driven by an external oscillator for a user defined rejection frequency. The internal oscillator requires no external frequency setting components.

The converter accepts any external differential reference voltage from 0.1V to VCC for flexible ratiometric and remote sensing measurement configurations. The fullscale differential input range is from – 0.5 • VREF to 0.5 • VREF. The reference common mode voltage, VREFCM, and the input common mode voltage, VINCM, may be independently set anywhere between GND and VCC. The DC common mode input rejection is better than 140dB.

The LTC2433-1 communicates through a flexible 3-wire digital interface which is compatible with SPI and MICROWIRE protocols.

Applications

  • Direct Sensor Digitizer
  • Weight Scales
  • Direct Temperature Measurement
  • Gas Analyzers
  • Strain-Gage Transducers
  • Instrumentation
  • Data Acquisition
  • Industrial Process Control

Subscribe to Welllinkchips !
Your Name
* Email
Submit a request