0
LTC2414
  • LTC2414
  • LTC2414
  • LTC2414
  • LTC2414

LTC2414

PRODUCTION

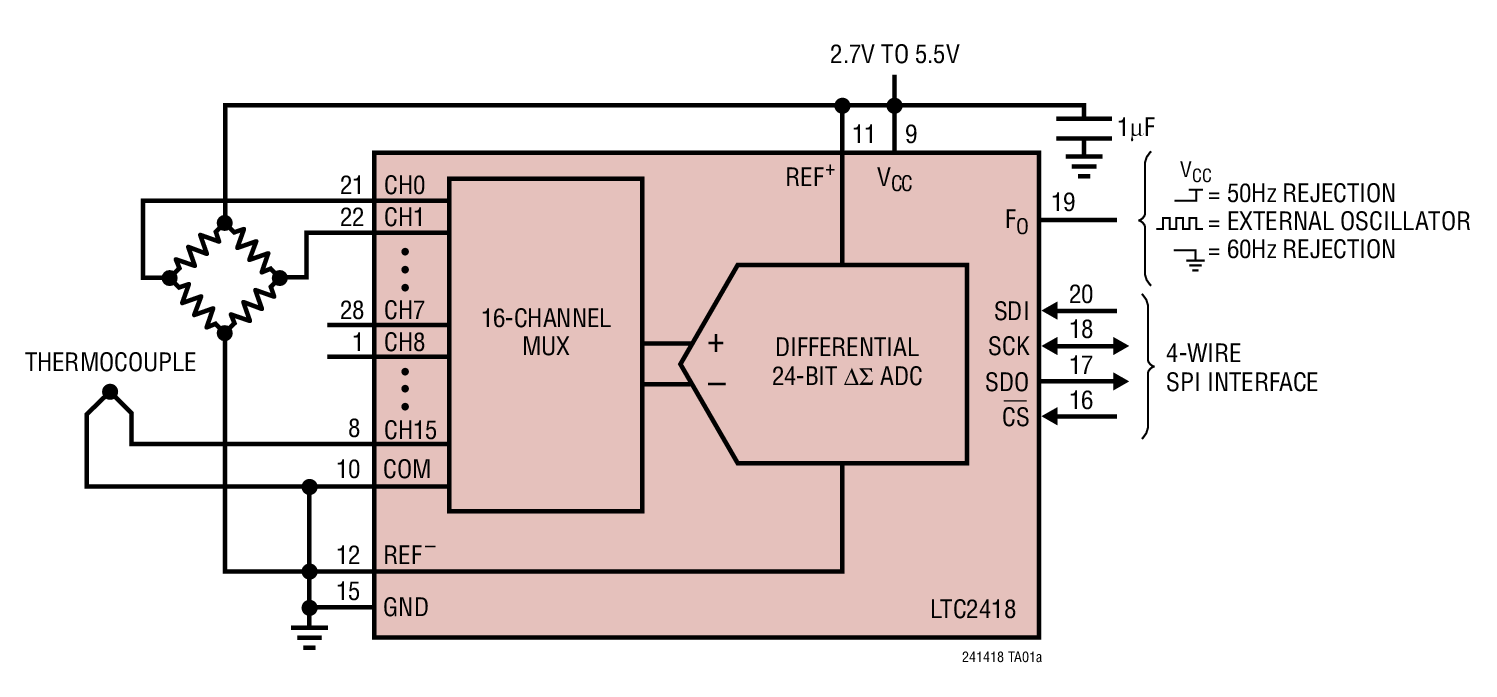
8-/16-Channel 24-Bit No Latency ∆Σ™ ADCs

Analog Devices LTC2414 Product Info

10 February 2026 9

Features

  • 8-/16-Channel Single-Ended or 4-/8-Channel Differential Inputs (LTC2414/LTC2418)
  • Low Supply Current (200µA, 4µA Autosleep)
  • Differential Input and Differential Reference with GND to VCC Common Mode Range
  • 2ppm INL, No Missing Codes
  • 2.5ppm Full-Scale Error and 0.5ppm Offset
  • 0.2ppm Noise
  • No Latency: Digital Filter Settles in a Single Cycle. Each Conversion Is Accurate, Even After a New Channel is Selected
  • Single Supply 2.7V to 5.5V Operation
  • Internal Oscillator—No External Components Required
  • 110dB Min, 50Hz/60Hz Notch Filter

Part details & applications

The LTC2414/LTC2418 are 8-/16-channel (4-/8-differential) micropower 24-bit ∆Σ analog-to-digital converters. They operate from 2.7V to 5.5V and include an integrated oscillator, 2ppm INL and 0.2ppm RMS noise. They use delta-sigma technology and provide single cycle settling time for multiplexed applications. Through a single pin, the LTC2414/LTC2418 can be configured for better than 110dB differential mode rejection at 50Hz or 60Hz ±2%, or they can be driven by an external oscillator for a user-defined rejection frequency. The internal oscillator requires no external frequency setting components.

The LTC2414/LTC2418 accept any external differential reference voltage from 0.1V to VCC for flexible ratiometric and remote sensing measurement applications. They can be configured to take 4/8 differential channels or 8/16 single-ended channels. The full-scale bipolar input range is from -5VREF to 0.5VREF. The reference common mode voltage, VREFCM, and the input common mode voltage, VINCM, may be independently set within GND to VCC. The DC common mode input rejection is better than 140dB.

The LTC2414/LTC2418 communicate through a flexible 4-wire digital interface that is compatible with SPI and MICROWIRE protocols.

 

Applications

  • Direct Sensor Digitizer
  • Weight Scales
  • Direct Temperature Measurement
  • Gas Analyzers
  • Strain Gauge Transducers
  • Instrumentation
  • Data Acquisition
  • Industrial Process Control

Subscribe to Welllinkchips !
Your Name
* Email
Submit a request