0
LTC2944
  • LTC2944
  • LTC2944
  • LTC2944

LTC2944

PRODUCTION

60V Battery Gas Gauge with Temperature, Voltage and Current Measurement

Analog Devices LTC2944 Product Info

10 February 2026 7

Features

  • Measures Accumulated Battery Charge and Discharge
  • 3.6V to 60V Operating Range for Multiple Cells
  • 14-Bit ADC Measures Voltage, Current and Temperature
  • 1% Voltage, Current and Charge Accuracy
  • ±50mV Sense Voltage Range
  • High Side Sense
  • I2C Interface/SMBus Interface
  • General Purpose Measurements for Any Battery Chemistry and Capacity
  • Configurable Alert Output/Charge Complete Input
  • Quiescent Current Less Than 150μA
  • Small 8-Lead 3mm × 3mm DFN Package

Part details & applications

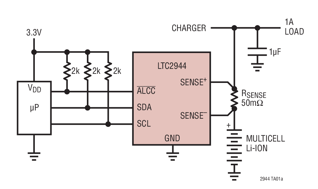
The LTC2944 measures battery charge state, battery voltage, battery current and its own temperature in portable product applications. The wide input voltage range allows use with multicell batteries up to 60V. A precision coulomb counter integrates current through a sense resistor between the battery’s positive terminal and the load or charger. Voltage, current and temperature are measured with an internal 14-bit No Latency ΔΣ ADC. The measurements are stored in internal registers accessible via the on-board I2C/SMBus Interface.

The LTC2944 features programmable high and low thresholds for all four measured quantities. If a programmed threshold is exceeded, the device communicates an alert using either the SMBus alert protocol or by setting a flag in the internal status register. The LTC2944 requires only a single low value sense resistor to set the measured current range.

Applications

  • Electric and Hybrid Electric Vehicles
  • Power Tools
  • Electric Bicycles, Motorcycles, Scooters
  • High Power Portable Equipment
  • Photo Voltaics
  • Backup Battery Systems

Subscribe to Welllinkchips !
Your Name
* Email
Submit a request