0
LTC2404
  • LTC2404
  • LTC2404
  • LTC2404
  • LTC2404

LTC2404

PRODUCTION

4-/8-Channel 24-Bit µPower No Latency ∆∑™ ADCs

Analog Devices LTC2404 Product Info

10 February 2026 12

Features

  • Pin Compatible 4-/8-Channel 24-Bit ADCs
  • Single Conversion Digital Filter Settling Time Simplifies Multiplexing
  • 4ppm INL, No Missing Codes
  • 4ppm Full-Scale Error
  • 0.5ppm Offset
  • 0.3ppm Noise
  • Internal Oscillator—No External Components Required
  • 110dB Min, 50Hz/60Hz Notch Filter
  • Reference Input Voltage: 0.1V to VCC
  • Live Zero—Extended Input Range Accommodates 12.5% Overrange and Underrange
  • Single Supply 2.7V to 5.5V Operation
  • Low Supply Current (200µA) and Auto Shutdown

Part details & applications

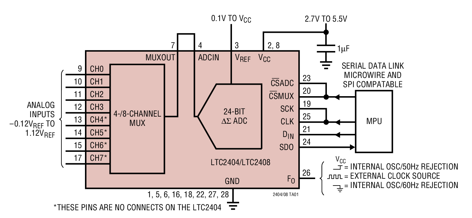
The LTC2404/LTC2408 are 4-/8-channel 2.7V to 5.5V micropower 24-bit A/D converters with an integrated oscillator, 4ppm INL and 0.3ppm RMS noise. They use delta-sigma technology and provide single cycle digital filter settling time (no latency delay) for multiplexed applications. The first conversion after the channel is changed is always valid. Through a single pin the LTC2404/LTC2408 can be configured for better than 110dB rejection at 50Hz or 60Hz ±2%, or can be driven by an external oscillator for a user defined rejection frequency in the range 1Hz to 120Hz. The internal oscillator requires no external frequency setting components.

The converters accept any external reference voltage from 0.1V to VCC. With their extended input conversion range of –12.5% VREF to 112.5% VREF the LTC2404/LTC2408 smoothly resolve the offset and overrange problems of preceding sensors or signal conditioning circuits.

The LTC2404/LTC2408 communicate through a flexible 4-wire digital interface which is compatible with SPI and MICROWIRE protocols.

Applications

  • Weight Scales
  • Direct Temperature Measurement
  • Gas Analyzers
  • Strain-Gage Transducers
  • Instrumentation
  • Data Acquisition
  • Industrial Process Control
  • 6-Digit DVMs

Subscribe to Welllinkchips !
Your Name
* Email
Submit a request