0
MAX6698
  • MAX6698

MAX6698

PRODUCTION

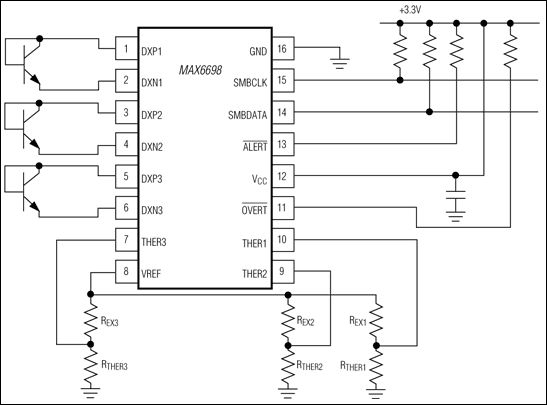
7-Channel Precision Remote-Diode, Thermistor, and Local Temperature Monitor

Analog Devices MAX6698 Product Info

10 February 2026 7

Features

  • Three Thermal-Diode Inputs and Three Thermistor Inputs
  • Local Temperature Sensor
  • 1°C Remote Temperature Accuracy (+60°C to +100°C)
  • Temperature Monitoring Begins at POR for Fail-Safe System Protection
  • Active-Low ALERT and Active-Low OVERT Outputs for Interrupts, Throttling, and Shutdown
  • Small 16-Pin QSOP and 16-Pin TSSOP Packages
  • 2-Wire SMBus Interface

Part details & applications

The MAX6698 precision multichannel temperature sensor monitors its own temperature, the temperatures of three external diode-connected transistors, and the temperatures of three thermistors. All temperature channels have programmable alert thresholds. Channels 1, 4, 5, and 6 also have programmable overtemperature thresholds. When the measured temperature of a channel exceeds the respective threshold, a status bit is set in one of the status registers. Two open-drain outputs, active-low OVERT and active-low ALERT, assert corresponding to these bits in the status register.

The 2-wire serial interface supports the standard system management bus (SMBus™) protocols: write byte, read byte, send byte, and receive byte for reading the temperature data and programming the alarm thresholds.

The MAX6698 is specified for an operating temperature range of -40°C to +125°C and is available in 16-pin QSOP and 16-pin TSSOP packages.

Applications

  • Desktop Computers
  • Notebook Computers
  • Servers
  • Workstations

Subscribe to Welllinkchips !
Your Name
* Email
Submit a request