0
LTC2337-18
  • LTC2337-18
  • LTC2337-18
  • LTC2337-18

LTC2337-18

PRODUCTION

18-Bit, 500ksps, ±10.24V True Bipolar, Fully Differential Input ADC with 100dB SNR

Analog Devices LTC2337-18 Product Info

10 February 2026 8

Features

  • 500ksps Throughput Rate
  • ±4LSB INL (Max)
  • Guaranteed 18-Bit No Missing Codes
  • Fully Differential Inputs
  • True Bipolar Input Ranges ±6.25V, ±10.24V, ±12.5V
  • 100dB SNR (Typ) at fIN = 2kHz
  • –115dB THD (Typ) at fIN = 2kHz
  • Guaranteed Operation to 125°C
  • Single 5V Supply
  • Low Drift (20ppm/°C Max) 2.048V Internal Reference
  • On-board Single-Shot Capable Reference Buffer
  • No Pipeline Delay, No Cycle Latency
  • 1.8V to 5V I/O Voltages
  • SPI-Compatible Serial I/O with Daisy-Chain Mode
  • Internal Conversion Clock
  • Power Dissipation 35mW (Typ)
  • 16-Lead MSOP Package

Part details & applications

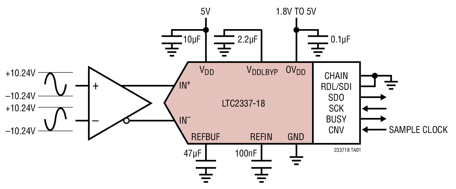
The LTC2337-18 is a low noise, high speed 18-bit successive approximation register (SAR) ADC with fully differential inputs. Operating from a single 5V supply, the LTC2337-18 has a ±10.24V true bipolar input range, making it ideal for high voltage applications which require a wide dynamic range. The LTC2337-18 achieves ±4LSB INL maximum, no missing codes at 18-bits with 100dB SNR.

The LTC2337-18 has an on-board single-shot capable reference buffer and low drift (20ppm/°C max) 2.048V temperature compensated reference. The LTC2337-18 also has a high speed SPI-compatible serial interface that supports 1.8V, 2.5V, 3.3V and 5V logic while also featuring a daisy-chain mode. The fast 500ksps throughput with no cycle latency makes the LTC2337-18 ideally suited for a wide variety of high speed applications. An internal oscillator sets the conversion time, easing external timing considerations. The LTC2337-18 dissipates only 35mW and automatically naps between conversions, leading to reduced power dissipation that scales with the sampling rate. A sleep mode is also provided to reduce the power consumption of the LTC2337-18 to 300μW for further power savings during inactive periods.

Applications

  • Programmable Logic Controllers
  • Industrial Process Control
  • High Speed Data Acquisition
  • Portable or Compact Instrumentation
  • ATE

Subscribe to Welllinkchips !
Your Name
* Email
Submit a request