0
LTC2309
  • LTC2309
  • LTC2309
  • LTC2309
  • LTC2309

LTC2309

PRODUCTION

8-Channel, 12-Bit SAR ADC with I2C Interface

Analog Devices LTC2309 Product Info

10 February 2026 7

Features

  • 12-Bit Resolution
  • Low Power: 1.5mW at 1ksps, 35μW Sleep Mode
  • 14ksps Throughput Rate
  • Low Noise: SNR = 73.4dB
  • Guaranteed No Missing Codes
  • Single 5V Supply
  • 2-Wire I2C Compatible Serial Interface with Nine Addresses Plus One Global for Synchronization
  • Fast Conversion Time: 1.3μs
  • Internal Reference
  • Internal 8-Channel Multiplexer
  • Internal Conversion Clock
  • Unipolar or Bipolar Input Ranges (Software Selectable)
  • Guaranteed Operation from –40°C to 125°C (TSSOP Package)
  • 24-Pin 4mm × 4mm QFN and 20-Pin TSSOP Packages

Part details & applications

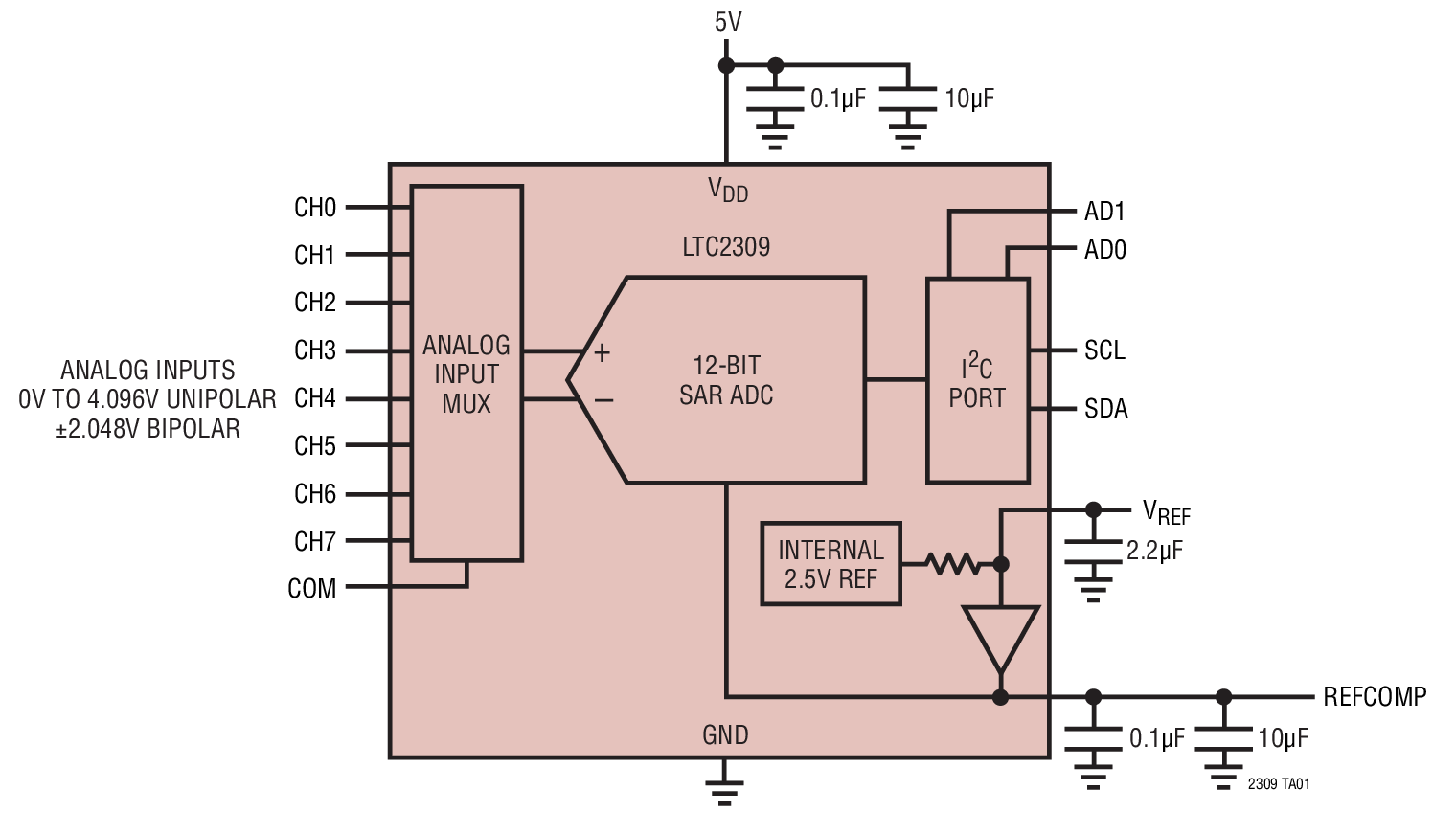
The LTC2309 is a low noise, low power, 8-channel, 12-bit successive approximation ADC with an I2C compatible serial interface. This ADC includes an internal reference and a fully differential sample-and-hold circuit to reduce common mode noise. The LTC2309 operates from an internal clock to achieve a fast 1.3μs conversion time.

The LTC2309 operates from a single 5V supply and draws just 300μA at a throughput rate of 1ksps. The ADC enters nap mode when not converting, reducing the power dissipation.

The LTC2309 is available in both a small 24-pin 4mm × 4mm QFN and a 20-pin TSSOP package. The internal 2.5V reference and 8-channel multiplexer further reduce PCB board space requirements.

The low power consumption and small size make the LTC2309 ideal for battery-operated and portable applications, while the 2-wire I2C compatible serial interface makes this ADC a good match for space-constrained systems.

Applications

  • Industrial Process Control
  • Motor Control
  • Accelerometer Measurements
  • Battery-Operated Instruments
  • Isolated and/or Remote Data Acquisition
  • Power Supply Monitoring

Subscribe to Welllinkchips !
Your Name
* Email
Submit a request