0
LTC2301
  • LTC2301
  • LTC2301
  • LTC2301
  • LTC2301
  • LTC2301
  • LTC2301

LTC2301

PRODUCTION

1-Channel, 12-Bit ADCs with I2C Compatible Interface

Analog Devices LTC2301 Product Info

10 February 2026 15

Features

  • 12-Bit Resolution
  • Low Power: 1.5mW at 1ksps, 35μW Sleep Mode
  • 14ksps Throughput Rate
  • Internal Reference
  • Low Noise: SNR = 73.5dB
  • Guaranteed No Missing Codes
  • Single 5V Supply
  • 2-wire I2C Compatible Serial Interface with 9 Addresses Plus One Global for Synchronization
  • Fast Conversion Time: 1.3μs
  • 1-Channel (LTC2301) and 2-Channel (LTC2305) Versions
  • Unipolar or Bipolar Input Ranges (Software Selectable)
  • Internal Conversion Clock
  • Guaranteed Operation from –40°C to 125°C (MSOP Package)
  • 12-Pin 4mm × 3mm DFN and 12-Pin MSOP Packages

Part details & applications

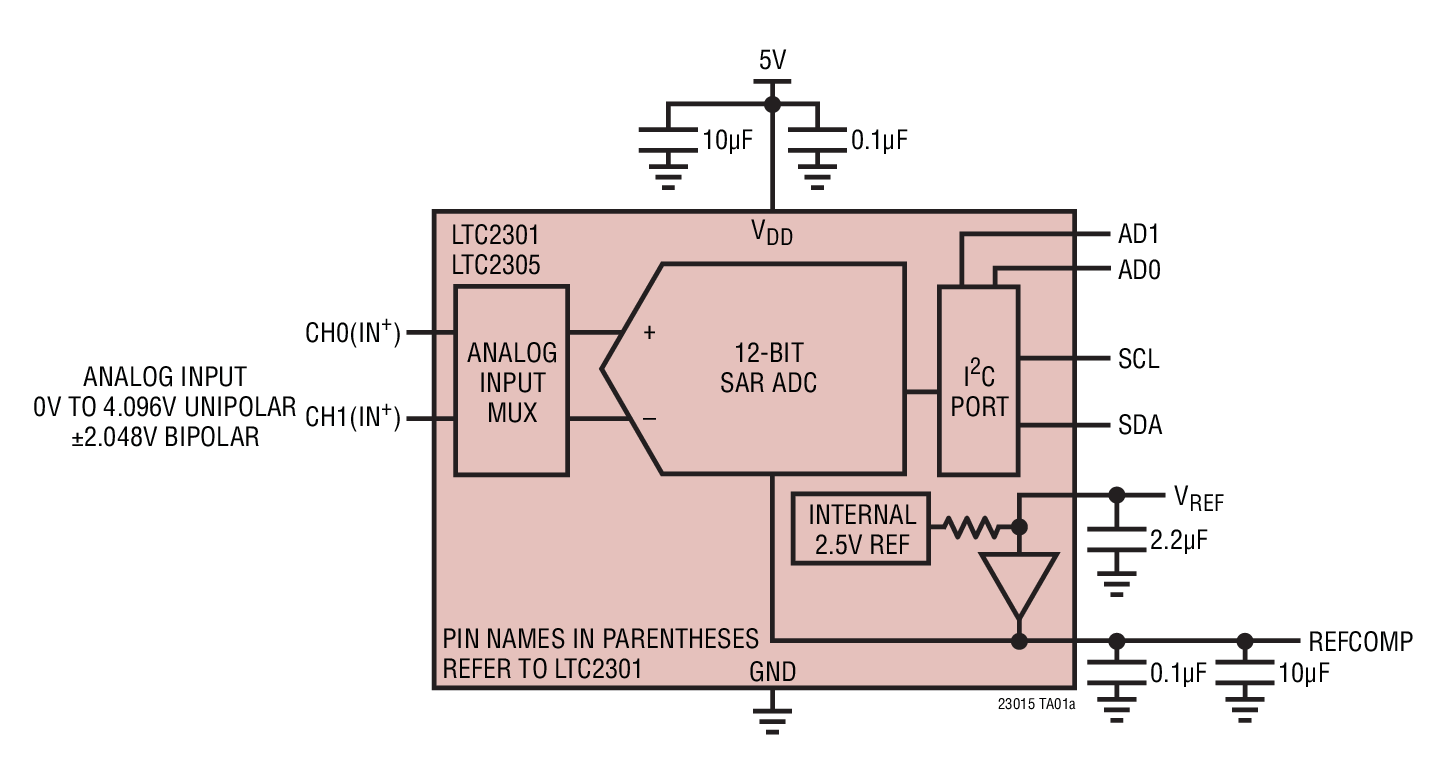
The LTC2301/LTC2305 are low noise, low power, 1-/2-channel, 12-bit successive approximation ADCs with an I2C compatible serial interface. These ADCs include an internal reference and a fully differential sample-andhold circuit to reduce common mode noise. The LTC2301/ LTC2305 operate from an internal clock to achieve a fast 1.3μs conversion time.

The LTC2301/LTC2305 operate from a single 5V supply and draw just 300μA at a throughput rate of 1ksps. The ADC enters nap mode when not converting, reducing the power dissipation.

The LTC2301/LTC2305 are available in small 12-pin 4mm × 3mm DFN and 12-pin MSOP packages. The internal 2.5V reference further reduces PCB board space requirements.

The low power consumption and small size make the LTC2301/LTC2305 ideal for battery operated and portable applications, while the 2-wire I2C compatible serial interface makes these ADCs a good match for space-constrained systems.

Applications

  • Industrial Process Control
  • Motor Control
  • Accelerometer Measurements
  • Battery Operated Instruments
  • Isolated and/or Remote Data Acquisition
  • Power Supply Monitoring

Subscribe to Welllinkchips !
Your Name
* Email
Submit a request