0
LTC2170-14
  • LTC2170-14
  • LTC2170-14
  • LTC2170-14

LTC2170-14

PRODUCTION

14-Bit, 25Msps Low Power Quad ADCs

Analog Devices LTC2170-14 Product Info

10 February 2026 15

Features

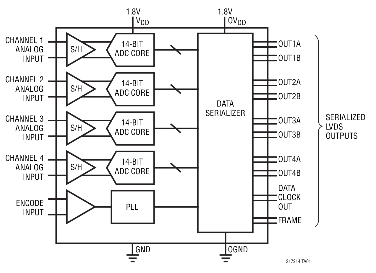
  • 4-Channel Simultaneous Sampling ADC
  • 73.7dB SNR
  • 90dB SFDR
  • Low Power: 311mW/202mW/162mW Total, 78mW/51mW/41mW per Channel
  • Single 1.8V Supply
  • Serial LVDS Outputs: One or Two Bits per Channel
  • Selectable Input Ranges: 1VP-P to 2VP-P
  • 800MHz Full Power Bandwidth Sample-and-Hold
  • Shutdown and Nap Modes
  • Serial SPI Port for Configuration
  • Pin-Compatible 14-Bit and 12-Bit Versions
  • 52-Pin (7mm × 8mm) QFN Package

Part details & applications

The LTC2172-14/LTC2171-14/LTC2170-14 are 4-channel, simultaneous sampling 14-bit A/D converters designed for digitizing high frequency, wide dynamic range signals. They are perfect for demanding communications applications with AC performance that includes 73.7dB SNR and 90dB spurious free dynamic range (SFDR). An ultralow jitter of 0.15psRMS allows undersampling of IF frequencies with excellent noise performance.

DC specifications include ±1LSB INL (typ), ±0.3LSB DNL (typ) and no missing codes over temperature. The transition noise is a low 1.2LSBRMS.

The digital outputs are serial LVDS to minimize the number of data lines. Each channel outputs two bits at a time (2-lane mode) or one bit at a time (1-lane mode). The LVDS drivers have optional internal termination and adjustable output levels to ensure clean signal integrity.

The ENC+ and ENC inputs may be driven differentially or single-ended with a sine wave, PECL, LVDS, TTL or CMOS inputs. An internal clock duty cycle stabilizer allows high performance at full speed for a wide range of clock duty cycles.

Bits
LTC2170-12 12
LTC2170-14 14