0
LTC1850
  • LTC1850
  • LTC1850
  • LTC1850
  • LTC1850

LTC1850

PRODUCTION

8-Channel, 10-Bit/12-Bit, 1.25Msps Sampling ADCs

Analog Devices LTC1850 Product Info

10 February 2026 10

Features

  • Flexible 8-Channel Multiplexer
  • Single-Ended or Differential Inputs
  • Two Gain Ranges Plus Unipolar and Bipolar Operation
  • 1.25Msps Sampling Rate
  • Single 5V Supply and 40mW Power Dissipation
  • Scan Mode and Programmable Sequencer
  • Pin Compatible 10-Bit LTC1850 and 12-Bit LTC1851
  • True Differential Inputs Reject Common Mode Noise
  • Internal 2.5V Reference
  • Parallel Output Includes MUX Address
  • Easy Interface to 3V Logic
  • Nap and Sleep Shutdown Modes

Part details & applications

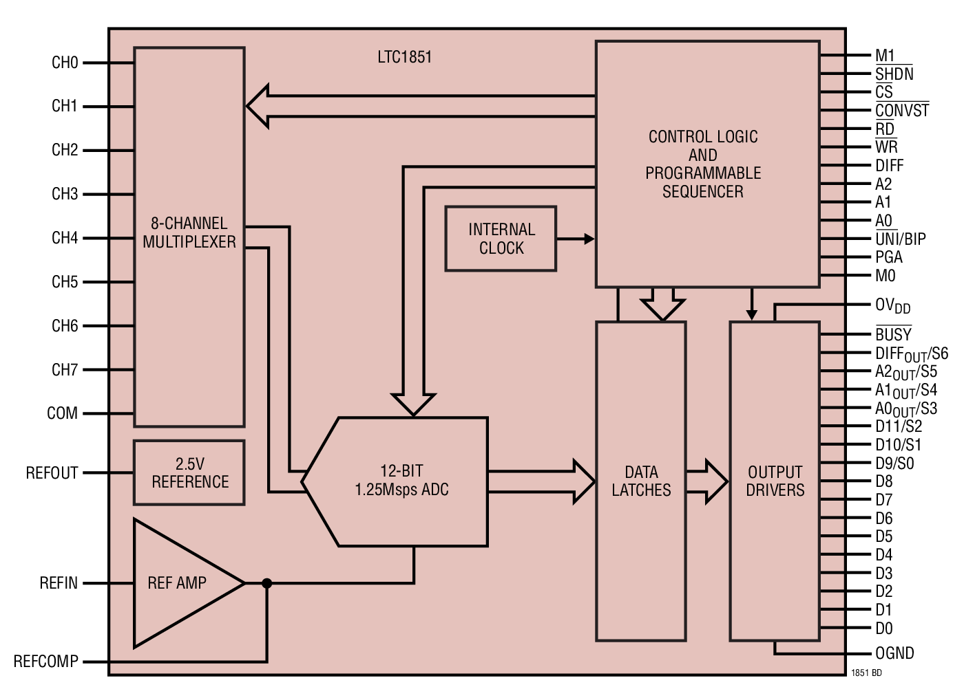
The 10-bit LTC1850 and 12-bit LTC1851 are complete 8-channel data acquisition systems. They include a flexible 8-channel multiplexer, a 1.25Msps successive approximation analog-to-digital converter with sample-and-hold, an internal 2.5V reference and reference buffer amplifier, and a parallel output interface. The multiplexer can be configured for single-ended or differential inputs, two gain ranges and unipolar or bipolar operation.

The ADCs have a scan mode that will repeatedly cycle through all 8 multiplexer channels and can also be programmed with a sequence of up to 16 addresses and configurations that can be scanned in succession. The sequence memory can also be read back. The reference and buffer amplifier provide pin strappable ranges of 4.096V, 2.5V and 2.048V. The parallel output includes the 10-bit or 12-bit conversion result plus the 4-bit multiplexer address. The digital outputs are powered from a separate supply allowing for easy interface to 3V digital logic. Typical power consumption is 40mW at 1.25Msps from a single 5V supply.

Applications

  • High Speed Data Acquisition
  • Test and Measurement
  • Imaging Systems
  • Telecommunications
  • Industrial Process Control
  • Spectrum Analysis

Subscribe to Welllinkchips !
Your Name
* Email
Submit a request