0
LT5537
  • LT5537
  • LT5537
  • LT5537

LT5537

PRODUCTION

Wide Dynamic Range RF/IF Log Detector

Analog Devices LT5537 Product Info

10 February 2026 8

Features

  • Low Frequency to 1000MHz Operation
  • 83dB Dynamic Range with ±1dB Nonlinearity at 200MHz
  • Sensitivity –76dBm or Better at 200MHz
  • Log-Linear Transfer Slope of 20mV/dB
  • Supply Voltage Range: 2.7V to 5.25V
  • Supply Current: 13.5mA at 3V
  • Tiny 8-Lead (3mm × 2mm) DFN Package

Part details & applications

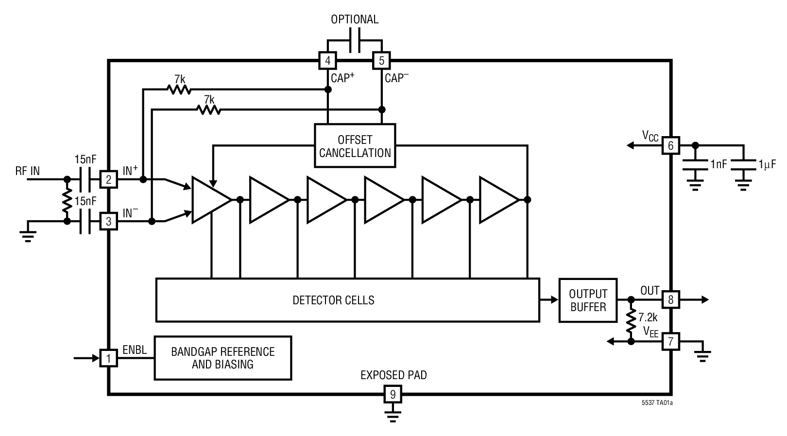
The LT5537 is a wide dynamic range RF/IF detector, operational from below 10MHz to 1000MHz. The lower limit of the operating frequency range can be extended to near DC by the use of an external capacitor. The input dynamic range at 200MHz with ±3dB nonlinearity is 90dB (from –76dBm to 14dBm, single-ended 50Ω input). The detector output voltage slope is nominally 20mV/dB, and the typical temperature coefficient is 0.01dB/°C at 200MHz.

Applications

  • Linear-to-Log Signal Level Conversion
  • Received Signal Strength Indication (RSSI)
  • RF Power Control
  • RF/IF Power Detection
  • Receiver RF/IF Gain Control
  • Envelope Detection
  • ASK Receiver

Subscribe to Welllinkchips !
Your Name
* Email
Submit a request