0
HMC966
  • HMC966

HMC966

RECOMMENDED FOR NEW DESIGNS

I/Q Downconverter SMT, 17 - 20 GHz

Analog Devices HMC966 Product Info

10 February 2026 6

Features

  • Conversion Gain: 14 dB
  • Image Rejection: 40 dBc
  • 2 LO to RF Isolation: 40 dB
  • Noise Figure: 2.5 dB
  • Input IP3: 0 dBm
  • 24 Lead 4x4mm QFN Package: 16mm²

Part details & applications

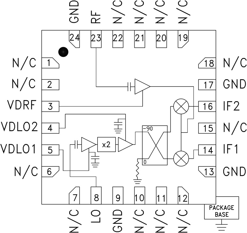
The HMC966LP4E is a compact GaAs MMIC I/Q downconverter in a leadless RoHS compliant SM T package. This device provides a small signal conversion gain of 12 dB with a noise figure of 2.5 dB and 40 dBc of image rejection across the frequency band. The HMC966LP4E utilizes an LNA followed by an image reject mixer which is driven by an active x2 multiplier. The image reject mixer eliminates the need for a filter following the LNA, and removes thermal noise at the image frequency. I and Q mixer outputs are provided and an external 90° hybrid is needed to select the required sideband. The HMC966LP4E is a much smaller alternative to hybrid style image reject mixer downconverter assemblies, and is compatible with surface mount manufacturing techniques.

Applications

  • Point-to-Point & Point-to-Multi-Point Radio
  • Military Radar, EW & ELINT
  • Satellite Communications

Subscribe to Welllinkchips !
Your Name
* Email
Submit a request