0
HMC959
  • HMC959

HMC959

RECOMMENDED FOR NEW DESIGNS

26 GHz, Divide-By-4 SMT with Reset & Programmable Output Voltage

Analog Devices HMC959 Product Info

10 February 2026 5

Features

  • Differential & Singe-Ended Operation
  • Low Power Consumption: 281 mW typ.
  • Programmable Differential Output Voltage Swing: 800 - 1800 mVP-P
  • Fast Rise and Fall Times: 19 ps
  • Propagation Delay: 121 ps
  • Single Supply: -3.3V
  • 16 Lead 3×3mm SMT Package: 9mm2

Part details & applications

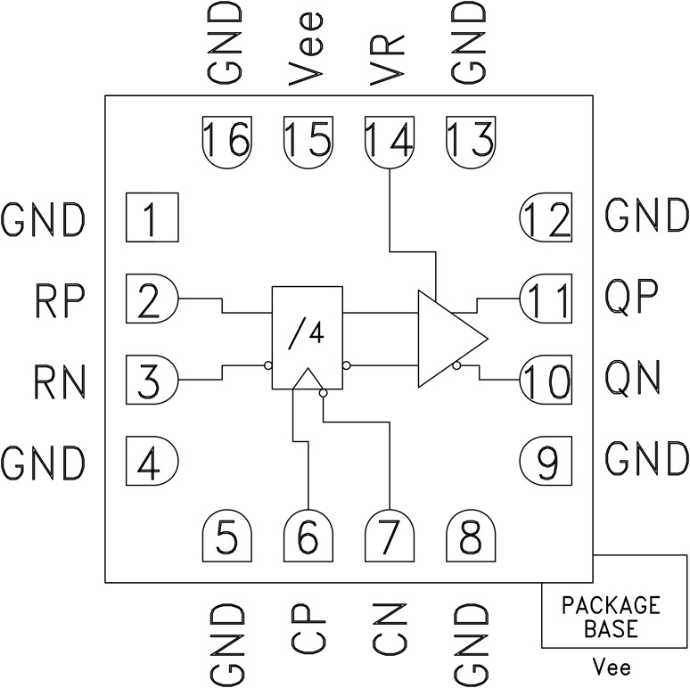
The HMC959LC3 is a Divide-by-4 with Reset designed to support clock frequencies as high as 26 GHz. During normal operation, with the reset pin not asserted, the output toggles from its prior state on the positive edge of the clock. This results in a divide-by-four function of the clock input. Asserting the reset pin forces the Q output low regardless of the clock edge state (asynchronous reset assertion). Reversing the clock inputs allows for negative-edge triggered applications. The HMC959LC3 also features an output level control pin, VR, which allows for loss compensation or for signal level optimization.

All input signals to the HMC959LC3 are terminated with 50 Ω to ground on-chip, and may be either AC or DC coupled. Outputs can be connected directly to a 50 Ω terminated system, while DC blocking capacitors may be used if the terminating system is 50 Ω to a non-ground DC voltage. The HMC959LC3 operates from a single -3.3 V DC supply and is available in a ceramic RoHS-compliant 3×3 mm SMT package.

APPLICATIONS

  • High Speed Frequency Divider (up to 26 GHz)
  • Broadband Test & Measurement
  • Clock Synthesis
  • Phase Locked Loops

Subscribe to Welllinkchips !
Your Name
* Email
Submit a request