0
HMC958
  • HMC958

HMC958

RECOMMENDED FOR NEW DESIGNS

14 Gbps 4:1 Selector SMT with Programmable Output Voltage

Analog Devices HMC958 Product Info

10 February 2026 7

Features

  • Differential & Single-Ended Inputs/Outputs
  • Low Power Consumption: 294 mW typ.
  • Programmable Differential Output Voltage Swing: 525 - 1300 mVP-P
  • Fast Rise and Fall Times: 17 ps
  • Propagation Delay: 121 ps
  • Single Supply: -3.3V
  • 32 Lead 5×5mm SMT Package: 25mm2

Part details & applications

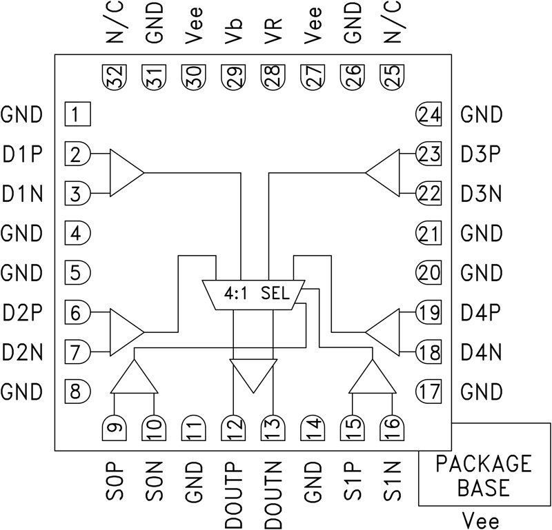
The HMC958LC5 is a 4:1 Selector designed to support data transmission rates of up to 14 Gbps and selector port operation up to 14 GHz. The selector routes the differential inputs to either one or both of the desired outputs upon assertion of the appropriately selected port. The HMC958LC5 also features an output level control pin, VR, which allows for loss compensation or for signal level optimization.

All single-ended input signals to the HMC958LC5 are terminated with 50 Ω to ground on-chip, and may be either AC or DC coupled. The outputs of the HMC958LC5 may be operated either differentially or single ended. Outputs can be connected directly to a 50 Ω terminated system, while DC blocking capacitors may be used if the terminating system is 50 Ω to a non-ground DC voltage. The HMC958LC5 operates from a single -3.3V DC supply and is available in a ceramic RoHS compliant 5 × 5 mm SMT package.

APPLICATIONS

  • SONET OC-192 and 10 GbE
  • 16G Fiber Channel
  • 4:1 Multiplexer
  • Built-In Test
  • Broadband Test & Measurement

Subscribe to Welllinkchips !
Your Name
* Email
Submit a request