0
HMC905
  • HMC905

HMC905

RECOMMENDED FOR NEW DESIGNS

6 GHz Low Noise Programmable Divider (N = 1 to 4) SMT

Analog Devices HMC905 Product Info

10 February 2026 9

Features

  • Low Noise Floor: -164 dBc/Hz at 10 MHz Offset for N = 4
  • Programmable Frequency
    Divider, N = 1, 2, 3 or 4
  • Input Frequency Range: 400 MHz to 6 GHz
  • Output Power up to +6 dBm
  • Sleep Mode: Consumes <1 μA
  • 16 Lead 3×3mm SMT Package: 9mm2

Part details & applications

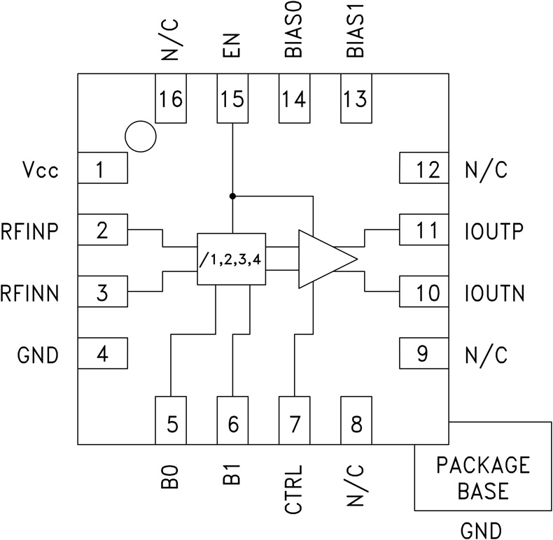
The HMC905LP3E is a SiGe BiCMOS low noise programmable frequency divider in a 3x3 mm leadless surface mount package. The circuit can be programmed to divide from N = 1 to N = 4 in the 400 MHz to 6 GHz input frequency range. The high level output power (up to 6 dBm single ended) with a very low SSB phase noise and 50% duty cycle makes this device ideal for low noise clock generation, LO generation and LO drive applications. Configurable bias and output power controls allow current consumption and output power control. The device incorporates a power down feature, good input to output isolation and fast start up time. The HMC905LP3E can be included into fast switching "ping-pong" applications.

APPLICATIONS

  • LO Generation with Low Noise Floor
  • Software Defined Radios
  • Clock Generators
  • Fast Switching Synthesizers
  • Military Applications 
  • Test Equipment
  • Sensors

Subscribe to Welllinkchips !
Your Name
* Email
Submit a request