0
HMC871
  • HMC871

HMC871

RECOMMENDED FOR NEW DESIGNS

EA Optical Modulator Driver SMT, DC - 20 GHz

Analog Devices HMC871 Product Info

10 February 2026 8

Features

  • Wide Supply Range from 5V to 8V
  • Adjustable Output Amplitude up to 4VP-P
  • Low Additive RMS Jitter, <300fs
  • Low DC Power Consumption 0.25W for VOUT = 2.5VP-P at VDD = 5V
  • Cross Point Adjustment
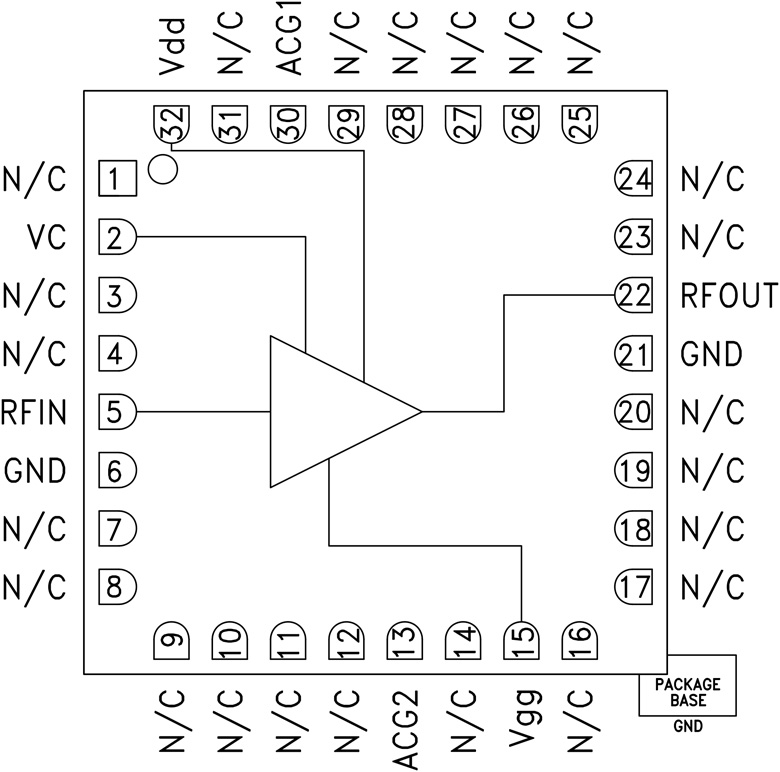
  • 32 Lead 5x5mm SMT Package: 25mm2

Part details & applications

The HMC871LC5 is a GaAs MMIC PHEMT Distributed Driver Amplifier packaged in a leadless 5x5mm surface mount package. The amplifier operates between DC and 20 GHz and provides 15 dB of gain. The output swing cross point is adjustable and saturated output swing is 4VP-P. Gain flatness is excellent at 0.5 dB as well as very low additive RMS jitter of 300 fs for 10 Gbps operation.

The HMC871LC5 provides VSR and Gigabit Ethernet designers with scalable power dissipation for varying output drive requirements (<0.25W at VOUT = 2.5VP-P and <0.6W at VOUT = 4VP-P). The HMC871LC5 has a very wide supply (VDD) operating range from +5V to +8V and the I/Os are internally matched to 50 Ohms

APPLICATIONS

  • SONET OC-192 & SDH-STM-64 Transmission Systems
  • 10 GbE Transmitters
  • 10 Gbps VSR Modules
  • Pre-driver for 40 Gbps DQPSK Modules 
  • Broadband Gain Block for Test & Measurement Equipment

Subscribe to Welllinkchips !
Your Name
* Email
Submit a request