0
HMC865
  • HMC865

HMC865

RECOMMENDED FOR NEW DESIGNS

32 Gbps Limiting Amplifier SMT

Analog Devices HMC865 Product Info

10 February 2026 9

Features

  • Supports Data Rates up to 43 Gbps
  • Low Power Dissipation: 300 mW @ VCC = +3.3V
  • Differential Small Signal Gain: 30 dB
  • High Input Sensitivity: 10 mVP-P Differential
  • 3-dB Bandwidth: 26.5 GHz
  • Adjustable Output Voltage Swing up to 800 mVP-P Differential
  • 16 Lead 3x3mm SMT package: 9mm2

Part details & applications

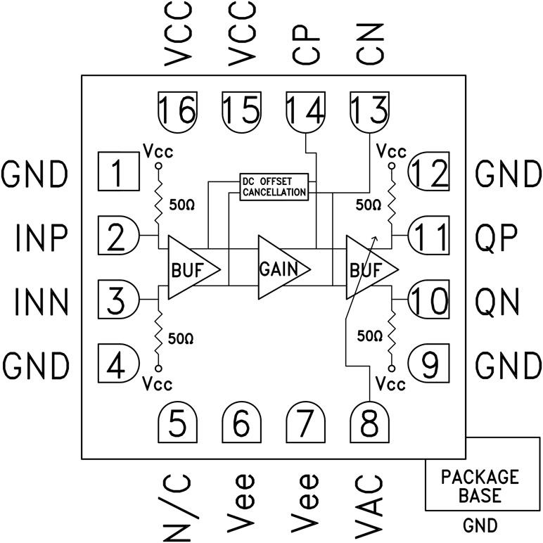
The HMC865LC3 is a Limiting Amplifier packaged in a leadless 3x3 mm ceramic surface mount package which supports up to 43 Gbps operation. The amplifier provides 30 dB of differential gain. Output voltage swing is adjustable up to 800 mVP-P differential by using the VAC analog control input. Additive rms jitter is less than 300 fs for 32 Gbps operation. HMC865LC3 has an internal DC offset correction circuit which provides differential 10 mVP-P input sensitivity.

All input/output RF signals of the HMC865LC3 are terminated with 50 Ohms to +3.3V on chip and may be either AC or DC coupled. The outputs of the device can be operated either differentially or single-ended. Outputs can be connected directly to 50 Ohm terminated system referenced to 3.3V, while DC blocking capacitors may be used if the terminating system is 50 Ohms to a non 3.3V level.

APPLICATIONS

  • 100 Gbps Ethernet
  • 100 Gbps Long Haul
  • 40 Gbps (D)QPSK Receivers
  • Broadband Gain Block for Test & Measurement Equipment

Subscribe to Welllinkchips !
Your Name
* Email
Submit a request