0
HMC853
  • HMC853

HMC853

RECOMMENDED FOR NEW DESIGNS

28 Gbps D-Type Flip-Flop w/Programmable Output Voltage

Analog Devices HMC853 Product Info

10 February 2026 9

Features

  • Differential & Singe-Ended Operation
  • Fast Rise and Fall Times: 15/14 ps
  • Programmable Differential Output Voltage Swing: 700-1300 mVP-P
  • Low Power Consumption: 240 mW typ.
  • Single Supply: -3.3V
  • 16 Lead Ceramic 3×3mm SMT Package: 9mm2

Part details & applications

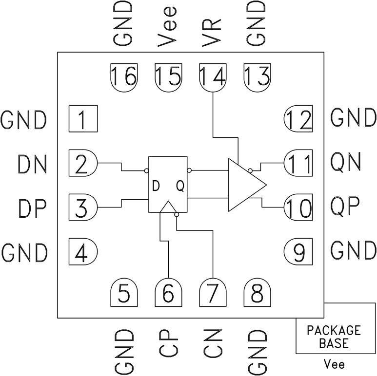
The HMC853LC3 is a D-Type Flip-Flop designed to support data transmission rates of up to 28 Gbps, and clock frequencies as high as 28 GHz. During normal operation, data is transferred to the outputs on the positive edge of the clock. Reversing the clock inputs allows for negative-edge triggered applications.

All differential inputs to the HMC853LC3 are CML and terminated on-chip with 50 Ω to the positive supply, VCC, and may be AC or DC coupled. The differential CML outputs are source terminated to 50 Ω and may also be AC or DC coupled. Outputs can be connected directly to a 50 Ω VCC-terminated system, while DC blocking capacitors may be used if the terminating system is 50 Ω to ground. The HMC853LC3 also features an output level control pin, VR, which allows for loss compensation or signal-level optimization. the HMC853LC3 operates from a single 3.3 V supply and is available in ROHS-compliant 3×3 mm SMT package.

APPLICATIONS

  • RF ATE Applications
  • Broadband Test & Measurement
  • Serial Data Transmission up to 28 Gbps
  • Digital Logic Systems up to 28 GHz

Subscribe to Welllinkchips !
Your Name
* Email
Submit a request