0
HMC814LC3B
  • HMC814LC3B

HMC814LC3B

PRODUCTION

x2 Active Multiplier SMT, 13 - 24.6 GHz Fout

Analog Devices HMC814LC3B Product Info

10 February 2026 22

Features

  • High Output Power: +17 dBm
  • Low Input Power Drive: 0 to +6 dBm
  • Fo Isolation: >20 dBc @ Fout = 19 GHz
  • 100 kHz SSB Phase Noise: -136 dBc/Hz
  • Single Supply: +5V @ 88mA
  • 12 Lead 3×3mm SMT Package: 9mm2

Part details & applications

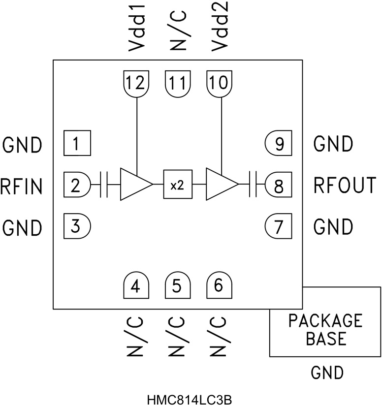
The HMC814LC3B is a x2 active broadband frequency multiplier utilizing GaAs PHEMT technology in a leadless RoHS compliant SMT package. When driven by a +4 dBm signal, the multiplier provides +17 dBm typical output power from 13 to 24.6 GHz. The Fo, 3Fo and 4Fo isolations are >20 dBc at 19 GHz. The HMC814LC3B is ideal for use in LO multiplier chains for Pt-to-Pt & VSAT Radios yielding reduced parts count vs. traditional approaches. The low additive SSB Phase Noise of -136 dBc/Hz at 100 kHz offset helps maintain good system noise performance. The RoHS packaged HMC814LC3B eliminates the need for wire bonding, and allows the use of surface mount manufacturing techniques.

APPLICATIONS

  • Clock Generation Applications:
    SONET OC-192 & SDH STM-64
  • Point-to-Point & VSAT Radios
  • Test Instrumentation
  • Military End-Use
  • Sensors

Subscribe to Welllinkchips !
Your Name
* Email
Submit a request