0
HMC749
  • HMC749

HMC749

RECOMMENDED FOR NEW DESIGNS

26 GHz Fast Rise Time T Flip-Flop with Reset & Programmable Output Voltage

Analog Devices HMC749 Product Info

10 February 2026 11

Features

  • Supports Clock Frequencies: up to 26 GHz
  • Differential & Single-Ended Operation
  • Fast Rise & Fall Times: 18/17ps
  • Programmable Differential
    Output Voltage Swing: 600 - 1100 mV
  • Propagation Delay: 95 ps
  • Low Power Consumption: 270 mW typ.
  • Single Supply: +3.3V
  • 16 Lead Ceramic 3×3mm
    SMT Package: 9mm2

Part details & applications

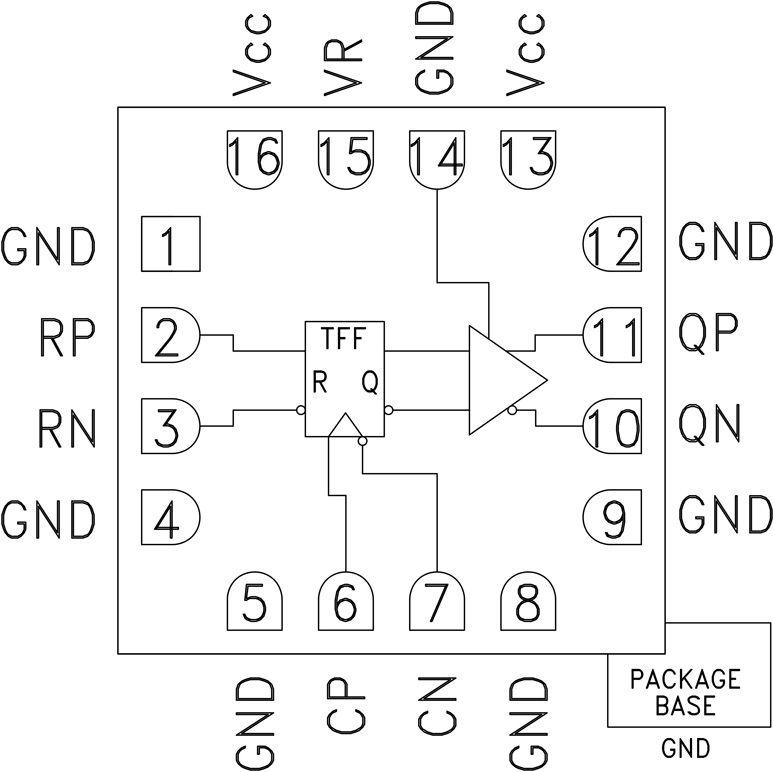
The HMC749LC3C is a T Flip-Flop w/Reset designed to support clock frequencies as high as 26 GHz. During normal operation, with the reset pin not asserted, the output toggles from its prior state on the positive edge of the clock. This results in a divide-by two function of the clock input. Asserting the reset pin forces the Q output low regardless of the clock edge state (asynchronous reset assertion). Reversing the clock inputs allows for negative-edge triggered applications. The HMC749LC3C also features an output level control pin, VR, which allows for loss compensation or for signal level optimization.

All input signals to the HMC749LC3C are terminated with 50 to Vcc on-chip, and may be either AC or DC coupled. inputs or outputs can be connected directly to a 50 Vcc terminated system, while DC blocking capacitors may be used if the terminating system is 50Ω ground. The HMC749LC3C operates from a single +3.3V DC supply and is available in a ceramic RoHS compliant 3x3 mm SMT package.

APPLICATIONS

  • Serial Data Transmission up to 26 Gbps
  • High Speed Frequency Divider (up to 26 GHz)
  • Broadband Test & Measurement
  • RF ATE Applications

Subscribe to Welllinkchips !
Your Name
* Email
Submit a request