0
HMC738
  • HMC738

HMC738

RECOMMENDED FOR NEW DESIGNS

MMIC VCO with Half Frequency Output & Divide-by-16, 20.9 - 23.9 GHz

Analog Devices HMC738 Product Info

10 February 2026 8

Features

  • Pout: +9 dBm
  • Phase Noise: -95 dBc/Hz @ 100 kHz Typ.
  • No External Resonator Needed
  • 24 Lead 4x4 mm QFN Package: 16 mm2

Part details & applications

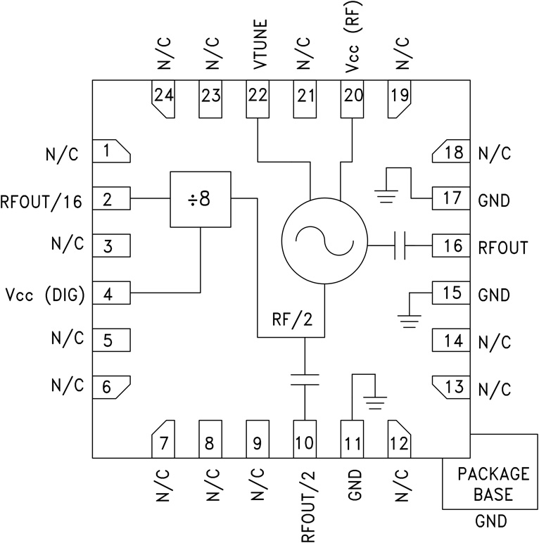
The HMC738 is a GaAs InGaP Heterojunction Bipolar Transistor (HBT) MMIC VCO. The HMC738 integrates a resonator, negative resistance device, varactor diode and divide-by-16 prescaler. The VCOs phase noise performance is excellent over temperature, shock, and process due to the oscillator's monolithic structure. Power output is +9 dBm typical from a 5V supply voltage. The voltage controlled oscillator is packaged in a low cost leadless QFN 4x4 mm surface mount package.

APPLICATIONS

  • Point-to-Point Radios
  • Point-to-Multi-Point Radios/LMDS
  • VSAT

Subscribe to Welllinkchips !
Your Name
* Email
Submit a request