0
HMC735
  • HMC735

HMC735

RECOMMENDED FOR NEW DESIGNS

VCO with Divide-by-4, 10.5 - 12.2 GHz

Analog Devices HMC735 Product Info

10 February 2026 9

Features

  • Dual Output: Fo = 10.5 - 12.2 GHz
    Fo/4 = 2.625 - 3.05 GHz
  • Pout: +17 dBm
  • Phase Noise: -100 dBc/Hz @ 100 kHz Typ.
  • No External Resonator Needed
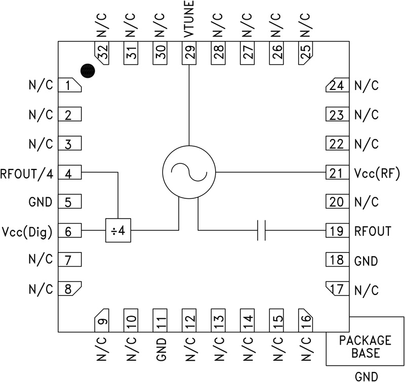
  • 32 Lead 5x5 mm QFN Package: 25 mm2

Part details & applications

The HMC735 is a GaAs InGaP Heterojunction Bipolar Transistor (HBT) MMIC VCO. The HMC735 integrates resonators, negative resistance devices, varactor diodes and features a divide-by-4 frequency output. The VCO's phase noise performance is excellent over temperature, shock, and process due to the oscillator's monolithic structure. Power output is +17 dBm typical from a +5V supply voltage. The prescaler function can be disabled to conserve current if not required. The voltage controlled oscillator is packaged in a leadless QFN 5x5 mm surface mount package, and requires no external matching components.

APPLICATIONS

  • Point-to-Multi-Point Radios
  • Test Equipment & Industrial Controls
  • SATCOM
  • Military End-Use

Subscribe to Welllinkchips !
Your Name
* Email
Submit a request