0
HMC722LP3E
  • HMC722LP3E

HMC722LP3E

PRODUCTION

13 Gbps, Fast Rise Time AND/NAND/OR/NOR Gate, with Programmable Output Voltage

Analog Devices HMC722LP3E Product Info

10 February 2026 7

Features

  • Supports High Data Rates: up to 13 Gbps
  • Differential & Singe-Ended Operation
  • Fast Rise and Fall Times: 19/18 ps
  • Low Power Consumption: 230 mW typ.
  • Programmable Differential
    Output Voltage Swing: 600 - 1100 mV
  • Propagation Delay: 95 ps
  • See datasheet for additional features

Part details & applications

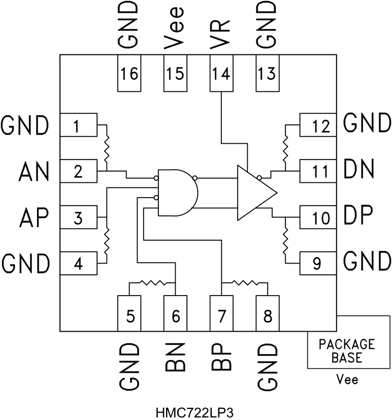
The HMC722LP3E is an AND/NAND/OR/NOR function designed to support data transmission rates of up to 13 Gbps, and clock frequencies as high as 13 GHz. The HMC772LP3E may be easily configured to provide any of the following logic functions: AND, NAND, OR and NOR. The HMC722LP3E also features an output level control pin, VR, which allows for loss compensation or for signal level optimization.

All input signals to the HMC722LP3E are terminated with 50ω to ground on-chip, and may be either AC or DC coupled. The differential outputs of the HMC722LP3E may be either AC or DC coupled. Outputs can be connected directly to a 50ω to ground terminated system, while DC blocking capacitors may be used if the terminating system is 50ω to a non-ground DC voltage. The HMC722LP3E operates from a single -3.3V DC supply, and is available in a RoHS compliant 3 × 3 mm SMT package.

APPLICATIONS

  • RF ATE Applications
  • Broadband Test & Measurement
  • Serial Data Transmission up to 13 Gbps
  • Digital Logic Systems up to 13 GHz
  • NRZ-to-RZ Conversion

Subscribe to Welllinkchips !
Your Name
* Email
Submit a request