0
HMC1013
  • HMC1013

HMC1013

RECOMMENDED FOR NEW DESIGNS

67 dB SMT SDLVA, 0.5 - 18.5 GHz

Analog Devices HMC1013 Product Info

10 February 2026 6

Features

  • High Logging Range: 67 dB (-62 to +5 dBm)
  • Output Frequency Flatness: ±2 dB
  • Log Linearity: ±2 dB
  • Fast Rise/Fall Times: 5/15 ns
  • Single Positive Supply: +3.3V
  • ESD Sensitivity (HBM): Class 1A
  • 24 Lead 4x4mm SMT Package: 16mm2

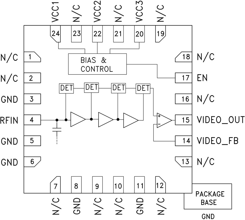
Part details & applications

The HMC1013LP4E is a Successive Detection Log Video Amplifier which operates from 0.5 to 18.5 GHz. The HMC1013LP4E provides a logging range of 67 dB. This device offers typical fast rise/fall times of 5/15 ns and a superior delay time of only 10 ns. The HMC1013LP4E log video output slope is typically 15 mV/dB. Maximum recovery times are less than 40 ns. The HMC1013LP4E is available in a highly compact 4x4 mm SMT plastic package and is ideal for high speed channelized receiver applications.

APPLICATIONS

  • EW, ELINT & IFM Receivers
  • DF Radar Systems
  • ECM Systems
  • Broadband Test & Measurement
  • Power Measurement & Control Circuits
  • Military & Space Applications

Subscribe to Welllinkchips !
Your Name
* Email
Submit a request