0
HMC682
  • HMC682

HMC682

LAST TIME BUY

High IP3 Dual Downconverter SMT, with LO Switch, 1.7 - 2.2 GHz

Analog Devices HMC682 Product Info

10 February 2026 7

Features

  • High Input IP3: +25 dBm
  • Conversion Gain: 6 dB
  • Low LO Drive: 0 dBm
  • High Channel Isolation
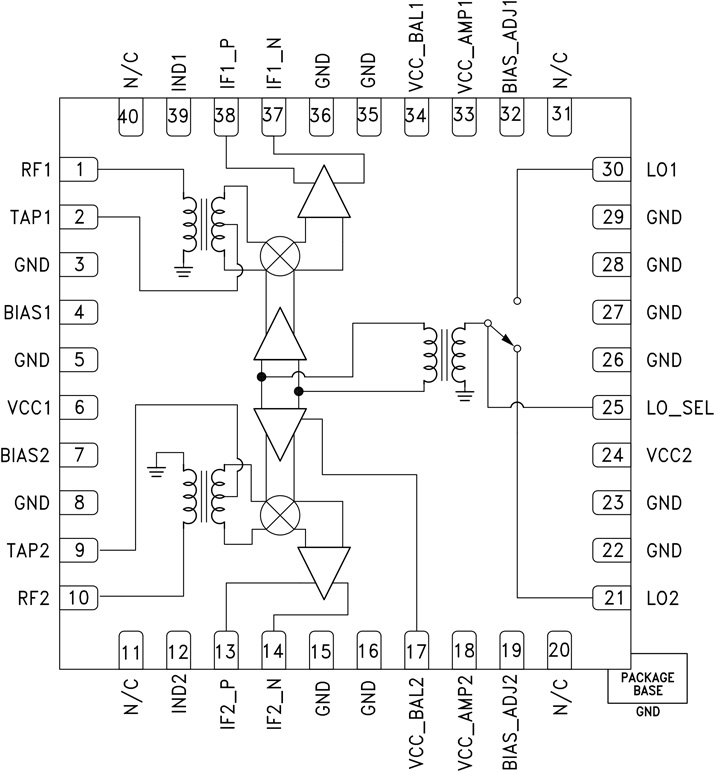
  • 40 Lead 6×6mm SMT Package: 36mm2

Part details & applications

The HMC682LP6C(E) is a high linearity, dual channel downconverter with integrated LO amplifier in a 6×6 SMT QFN package covering 1.7 - 2.2 GHz. Excellent input IP3 performance of +25 dBm for down conversion is provided for 3G & 4G GSM/CDMA applications at an LO drive of 0 dBm. With an input 1 dB compression of +15 dBm, the RF port will accept a wide range of input signal levels. Conversion gain is 6 dB typical. The 60 - 400 MHz IF frequency response will satisfy various GSM/CDMA receive frequency plans.

APPLICATIONS

  • Cellular/3G & LTE/WiMAX/4G
  • Basestations & Repeaters
  • GSM, CDMA & OFDM
  • Dual Density Receivers

Subscribe to Welllinkchips !
Your Name
* Email
Submit a request