0
HMC632
  • HMC632

HMC632

RECOMMENDED FOR NEW DESIGNS

VCO with Fo/2 & Divide-By-4 SMT, 14.25 - 15.65 GHz

Analog Devices HMC632 Product Info

10 February 2026 10

Features

  • Dual Output: Fo = 14.25 - 15.65 GHz
    Fo/2 = 7.125 - 7.825 GHz
  • Pout: +9 dBm
  • Phase Noise: -107 dBc/Hz @100 kHz Typ.
  • No External Resonator Needed
  • 32 Lead 5x5mm SMT Package: 25mm2

Part details & applications

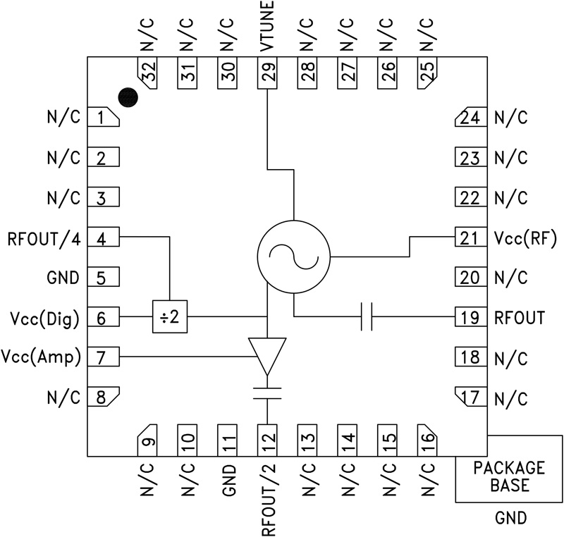
The HMC632LP5(E) is a GaAs InGaP Heterojunction Bipolar Transistor (HBT) MMIC VCO. The HMC632LP5(E) integrates resonators, negative resistance devices, varactor diodes and features half frequency and divide-by-4 outputs. The VCO’s phase noise performance is excellent over temperature, shock, and process due to the oscillator’s monolithic structure. Power output is +9 dBm typical from a +5V supply voltage. The prescaler and RF/2 functions can be disabled to conserve current if not required. The voltage controlled oscillator is packaged in a leadless QFN 5x5 mm surface mount package, and requires no external matching components.

APPLICATIONS

  • Point to Point/Multipoint Radio
  • Test Equipment & Industrial Controls
  • SATCOM
  • Military End-Use

Subscribe to Welllinkchips !
Your Name
* Email
Submit a request