0
HMC572LC5
  • HMC572LC5

HMC572LC5

PRODUCTION

I/Q Receiver SMT, 24 - 28 GHz

Analog Devices HMC572LC5 Product Info

10 February 2026 5

Features

  • Conversion Gain: 8 dB
  • Image Rejection: 18 dB
  • 2 LO to RF Isolation: 35 dB
  • Noise Figure: 3.5 dB
  • Input IP3: +5 dBm
  • RoHS Compliant 5x5 mm SMT Package

Part details & applications

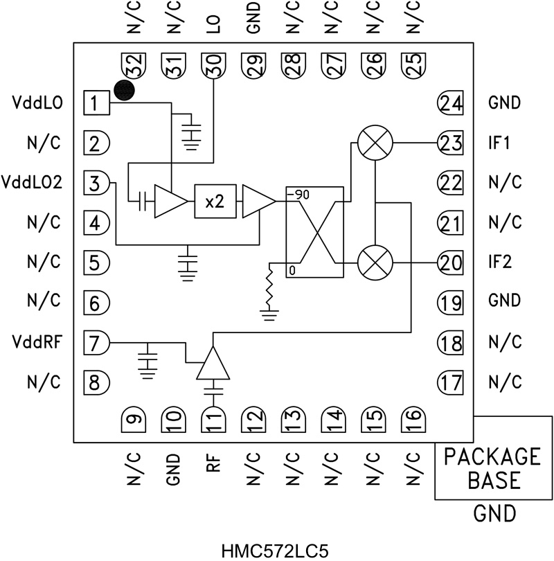
The HMC572LC5 is a compact GaAs MMIC I/Q downconverter in a leadless RoHS compliant SMT package. This device provides a small signal conversion gain of 8 dB with a noise figure of 3.5 dB and 18 dB of image rejection across the frequency band. The HMC572LC5 utilizes an LNA followed by an image reject mixer which is driven by an active x2 multiplier.

The image reject mixer eliminates the need for a filter following the LNA, and removes thermal noise at the image frequency. I and Q mixer outputs are provided and an external 90° hybrid is needed to select the required sideband. The HMC572LC5 is a much smaller alternative to hybrid style image reject mixer downconverter assemblies, and it eliminates the need for wire bonding by allowing the use of surface mount manufacturing techniques.

APPLICATIONS

  • Point-to-Point
  • Point-to-Multi-Point Radio
  • Military Radar, EW & ELINT
  • Satellite Communications

Subscribe to Welllinkchips !
Your Name
* Email
Submit a request