0
HMC561LP3
  • HMC561LP3

HMC561LP3

PRODUCTION

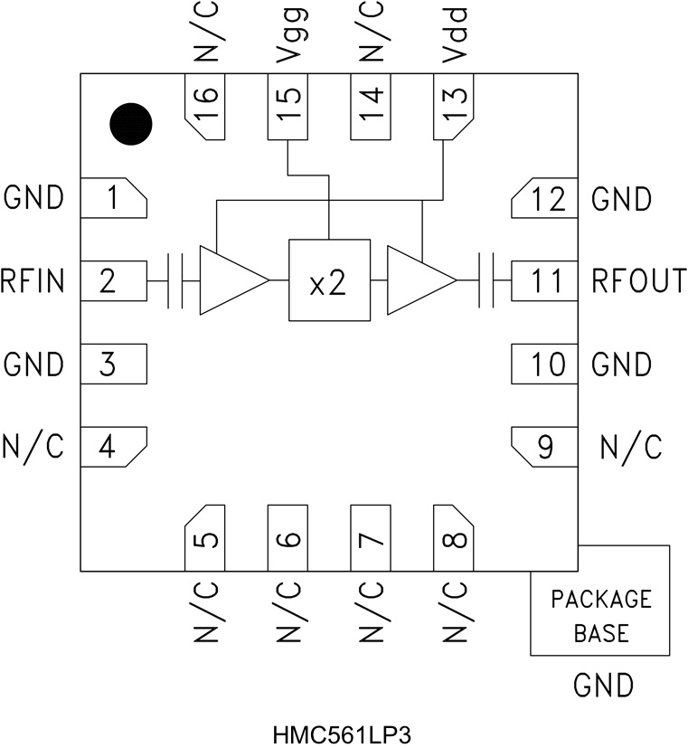
x2 Active Multiplier SMT, 8 - 21 GHz Fout

Analog Devices HMC561LP3 Product Info

10 February 2026 8

Features

  • High Output Power: +14 dBm
  • Low Input Power Drive: 0 to +6 dBm
  • Fo Isolation: 15 dBc @ Fout= 16 GHz
  • 100 KHz SSB Phase Noise: -139 dBc/Hz
  • RoHS Compliant 3×3 mm SMT Package

Part details & applications

The HMC561LP3(E) is a x2 active broadband frequency multiplier utilizing GaAs PHEMT technology in a leadless RoHS compliant SMT package. When driven by a +5 dBm signal, the multiplier provides +14 dBm typical output power from 8 to 21 GHz and the Fo and 3Fo isolations are 15 dBc at 16 GHz. The HMC561LP3(E) is ideal for use in LO multiplier chains for Pt to Pt & VSAT Radios yielding reduced parts count vs. traditional approaches.

The low additive SSB Phase Noise of -139 dBc/Hz at 100 kHz offset helps maintain good system noise performance. The RoHS packaged HMC561LP3(E) eliminates the need for wire bonding, and allows the use of surface mount manufacturing techniques.

APPLICATIONS

  • Clock Generation Applications: 
    SONET OC-192 & SDH STM-64 
  • Point-to-Point & VSAT Radios 
  • Test Instrumentation 
  • Military & Space

Subscribe to Welllinkchips !
Your Name
* Email
Submit a request