0
HMC540S
  • HMC540S

HMC540S

RECOMMENDED FOR NEW DESIGNS

1 dB LSB Silicon MMIC 4-Bit Digital Positive Control Attenuator, 0.1 - 8 GHz

Analog Devices HMC540S Product Info

10 February 2026 5

Features

  • 1 dB LSB Steps to 15 dB
  • ±0.2 dB Typical Step Error
  • Low Insertion Loss: 1 dB
  • High IP3: +50 dBm
  • Single Control Line Per Bit
  • TTL/CMOS Compatible Control
  • Single +5V Supply
  • 3x3 mm SMT Package

Part details & applications

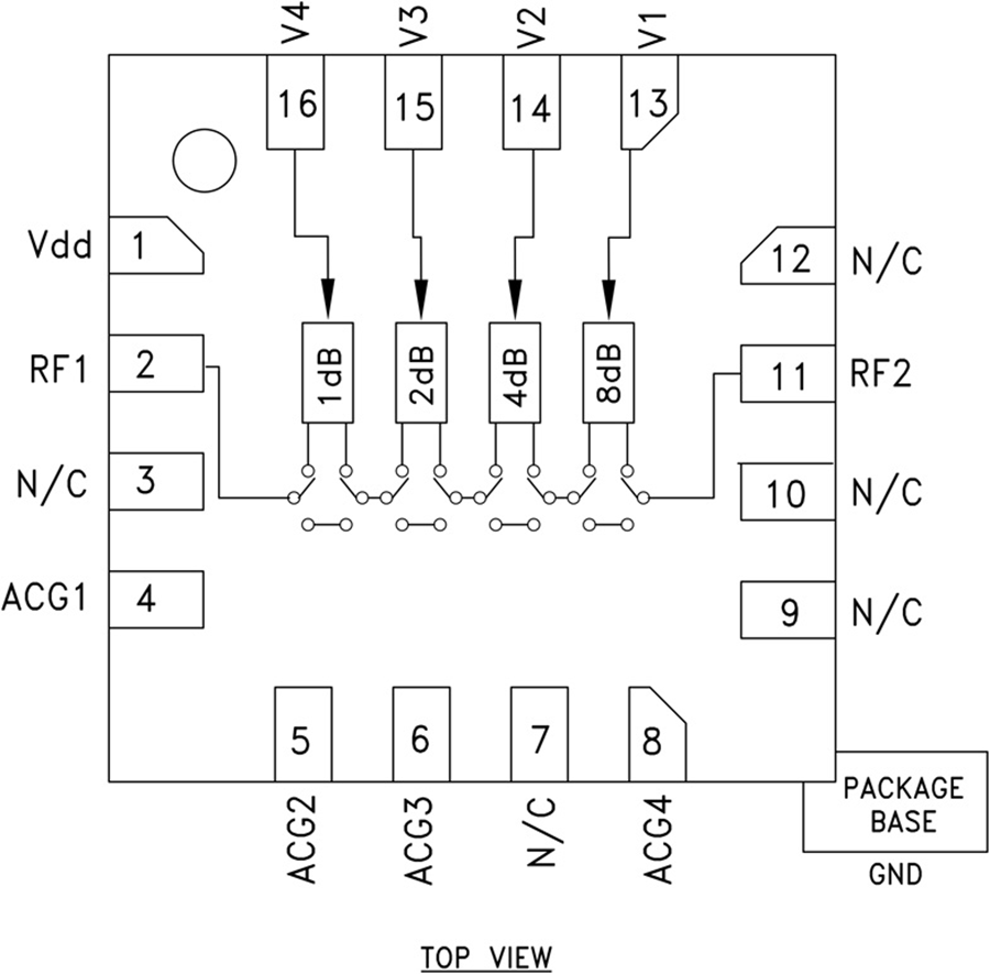
The HMC540SLP3E is a broadband 4-bit Silicon IC digital attenuator in a low cost leadless surface mount package. This single positive control line per bit digital attenuator utilizes off chip AC ground capacitors for near DC operation, making it suitable for a wide variety of RF and IF applications. Covering 0.1 to 8 GHz, the insertion loss is less than 1 dB typical. The attenuator bit values are 1 (LSB), 2, 4 and 8 dB for a total attenuation of 15 dB. Attenuation accuracy is excellent at ± 0.2 dB typical step error. The attenuator also features a IIP3 of +56dBm. Four TTL/CMOS control inputs are used to select each attenuation state. It can operate with a single Vdd ranging from +3.3V to 5V.

APPLICATIONS

  • Cellular Infrastructure
  • ISM, MMDS, WLAN, WiMAX, WiBro
  • Microwave Radio & VSAT
  • Test Equipment and Sensors

Subscribe to Welllinkchips !
Your Name
* Email
Submit a request