0
HMC535
  • HMC535

HMC535

RECOMMENDED FOR NEW DESIGNS

Phase-Locked Oscillator SMT, 14.7 - 15.4 GHz

Analog Devices HMC535 Product Info

10 February 2026 8

Features

  • Pout: +9 dBm
  • Phase Noise:
    -110 dBc/Hz @100 KHz Typ.
  • Single Supply: +5V @ 340 mA,
    12V @ 28 mA
  • QFN Leadless SMT Package, 16 mm2

Part details & applications

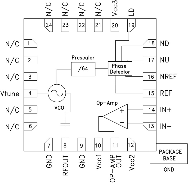
The HMC535LP4(E) is a GaAs InGaP Heterojunction Bipolar Transistor (HBT) MMIC PLO. The PLO’s phase noise performance is excellent over temperature, shock, and process due to the oscillator’s monolithic structure. Power output is +9 dBm typical from a +5V supply voltage.

All functions (VCO, Op-Amp, PFD, Prescaler) are fully integrated while providing allowances for off-chip customer specific loop components. The PLO MMIC accepts a single-ended or a differential reference oscillator input signal in the range of 230 to 240 MHz, and a digital Lock Detector (LD) output is provided to confirm the status of the loop. The phase-locked oscillator is packaged in a leadless QFN 4×4 mm surface mount package.

APPLICATIONS

  • VSAT Radio 
  • Point-to-Point & Point-to-Multi-Point Radio 
  • Test Equipment & Industrial Controls 
  • Military End-Use

Subscribe to Welllinkchips !
Your Name
* Email
Submit a request