0
AD7606-4
  • AD7606-4
  • AD7606-4

AD7606-4

PRODUCTION

4-Channel DAS with 16-Bit, Bipolar Input, Simultaneous Sampling ADC

Analog Devices AD7606-4 Product Info

10 February 2026 10

Features

  • 8/6/4 simultaneously sampled inputs
  • True bipolar analog input ranges: ±10 V, ±5 V
  • Pin to pin compatible with the state-of-the-art AD7606B
  • Single 5 V analog supply and 2.3 V to 5 V VDRIVE
  • Fully integrated data acquisition solution
    • Analog input clamp protection
    • Input buffer with 1 MΩ analog input impedance
    • Second-order antialiasing analog filter
    • On-chip accurate reference and reference buffer
    • 16-bit ADC with 200 kSPS on all channels
    • Oversampling capability with digital filter
  • Flexible parallel/serial interface
    • SPI/QSPI/MICROWIRE/DSP compatible
  • Performance
    • 7 kV ESD rating on analog input channels
    • 95.5 dB SNR, −107 dB THD
    • ±0.5 LSB INL, ±0.5 LSB DNL
    • Low power: 100 mW
    • Standby mode: 25 mW
  • Temperature range: −40°C to +85°C
  • 64-lead LQFP package

Part details & applications

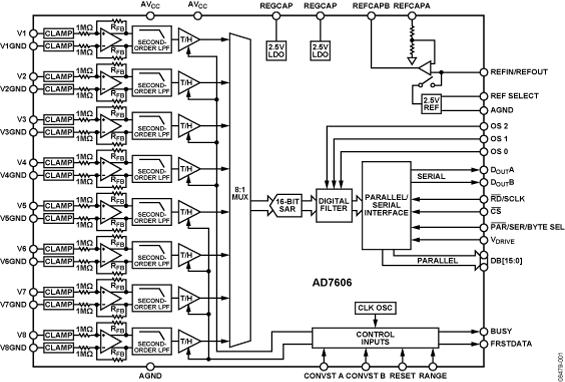
The AD7606/AD7606-6/AD7606-4 are 16-bit, simultaneous sampling, analog-to-digital data acquisition systems (DAS) with eight, six, and four channels, respectively. Each part contains analog input clamp protection, a second-order antialiasing filter, a track-and-hold amplifier, a 16-bit charge redistribution successive approximation analog-to-digital converter (ADC), a flexible digital filter, a 2.5 V reference and reference buffer, and high speed serial and parallel interfaces.

The AD7606/AD7606-6/AD7606-4 operate from a single 5 V supply and can accommodate ±10 V and ±5 V true bipolar input signals while sampling at throughput rates up to 200 kSPS for all channels. The input clamp protection circuitry can tolerate voltages up to ±16.5 V. The AD7606 has 1 MΩ analog input impedance regardless of sampling frequency. The single supply operation, on-chip filtering, and high input impedance eliminate the need for driver op amps and external bipolar supplies. The AD7606/AD7606-6/AD7606-4 antialiasing filter has a 3 dB cutoff frequency of 22 kHz and provides 40 dB antialias rejection when sampling at 200 kSPS. The flexible digital filter is pin driven, yields improvements in SNR, and reduces the 3 dB bandwidth.

Applications

  • Power-line monitoring and protection systems
  • Multiphase motor control
  • Instrumentation and control systems
  • Multiaxis positioning systems
  • Data acquisition systems (DAS)

Subscribe to Welllinkchips !
Your Name
* Email
Submit a request