0
HMC514
  • HMC514

HMC514

RECOMMENDED FOR NEW DESIGNS

VCO SMT with Fo/2 & Divide-by-4, 11.17 - 12.02 GHz

Analog Devices HMC514 Product Info

10 February 2026 7

Features

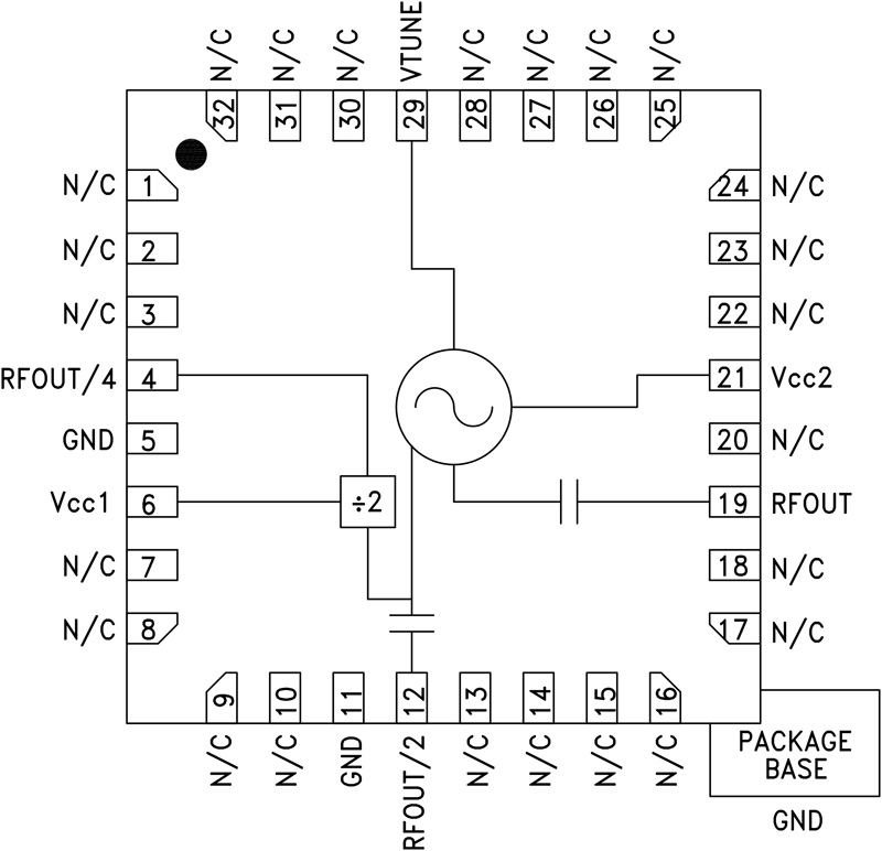
  • Dual Output: Fo = 11.17 - 12.02 GHz
    Fo/2 = 5.58 - 6.01 GHz
  • Phase Noise: -110 dBc/Hz @100 KHz Typ.
  • Pout: +7 dBm
  • No External Resonator Needed
  • QFN Leadless SMT Package, 25 mm2

Part details & applications

The HMC514LP5(E) is a GaAs InGaP Heterojunction Bipolar Transistor (HBT) MMIC VCO. The HMC514LP5(E) integrates resonators, negative resistance devices, varactor diodes and feature half frequency and divide-by-4 outputs. The VCO’s phase noise performance is excellent over temperature, shock, and process due to the oscillator’s monolithic structure. Power output is +7 dBm typical from a +3V supply voltage. The prescaler function can be disabled to conserve current if not required. The voltage controlled oscillator is packaged in a leadless QFN 5x5 mm surface mount package, and requires no external matching components.

APPLICATIONS

  • VSAT Radio
  • Point-to-Point/Multi-Point Radio
  • Test Equipment & Industrial Controls
  • Military End-Use

Subscribe to Welllinkchips !
Your Name
* Email
Submit a request