0
HMC500
  • HMC500

HMC500

RECOMMENDED FOR NEW DESIGNS

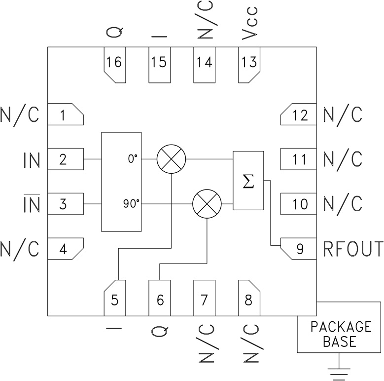
HBT Vector Modulator SMT, 1.8 - 2.2 GHz

Analog Devices HMC500 Product Info

10 February 2026 6

Features

  • Continuous Phase Control: 360° 
  • Continuous Gain: 40 dB Control
  • Output Noise Floor: -162 dBm/Hz
  • Input IP3: +33 dBm
  • 3×3 mm QFN Plastic Package

Part details & applications

The HMC500LP3(E) is a high dynamic range Vector Modulator RFIC which is targeted for RF predistortion and feed-forward cancellation circuits, as well as RF cancellation and beam forming amplitude/phase correction circuits. The I & Q ports of the HMC500LP3(E) can be used to continuously vary the phase and amplitude of RF signals by up to 360 degrees and 40 dB respectively, while supporting a 3 dB modulation bandwidth of 150 MHz. With an input IP3 of +33 dBm and input noise floor of -152 dBm/Hz (at -10 dB maximum gain setting), the input IP3/noise floor ratio is 185 dB.

APPLICATIONS

  • Wireless Infrastructure HPA & MCPA Error Correction
  • Pre-Distortion or Feed-Forward Linearization
  • PCS, GSM and W-CDMA Systems
  • Beam Forming or RF Cancellation Circuits

Subscribe to Welllinkchips !
Your Name
* Email
Submit a request